Багатоходовий дисковий клапан NW 04 FluidPress
- Время доставки: 7-10 дней
- Состояние товара: новый
- Доступное количество: 432
Просматривая «Багатоходовий дисковий клапан NW 04 FluidPress» данное изделие из «Гидравлические клапаны» вы можете быть уверены, что после оформления заказа, доставки в Украину, вы получите именно то, что заказывали, в оговоренные сроки и европейского качества.
Многоходовой дисковый клапан NW 04 FluidPress
✔️Технические данные:
Номер детали: VT03001
EAN:
Единица:Искусство
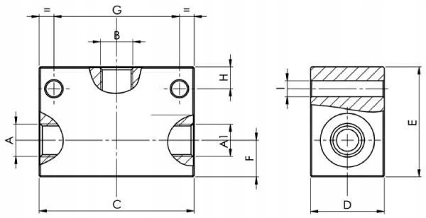
Подробнее о продукте:Подходит для установки «труба к трубе» — В качестве всасывающего регулирующего клапана в системах LS или дисковых тормозах, для низкого расхода и высокого давления — Поток от A-A1 к B — Ненагруженный шар в стальном корпусе
Максимальный расход:25 л/мин
Диаметр трубы:4 мм
Код серии:S
A/A1/BДиаметр соединительной резьбы:1/4 дюйма
CОбщая длина: 63 мм
DSширина/общий диаметр: 30 мм
Общая высота:45 мм
GРасстояние монтажных отверстий:51 мм
HDРасстояние от центра монтажного отверстия до верха:9 мм
FDРасстояние от центра соединения до низа:15 мм
Максимальное рабочее давление:350 БАР
Продюсер: FluidPress
