Байпас Байпас Байпас для басейну з тепловими насосами 50 мм
- Время доставки: 7-10 дней
- Состояние товара: новый
- Доступное количество: 8
Оплачивая «Байпас Байпас Байпас для басейну з тепловими насосами 50 мм», вы можете быть уверены, что данный товар из каталога «Насосы и фильтры» будет доставлен из Польши и проверен на целостность. В цене товара, указанной на сайте, учтена доставка из Польши. Внимание!!! Товары для Евросоюза, согласно законодательству стран Евросоюза, могут отличаться упаковкой или наполнением.
BYPASS Байпас теплового насоса — расширенный набор
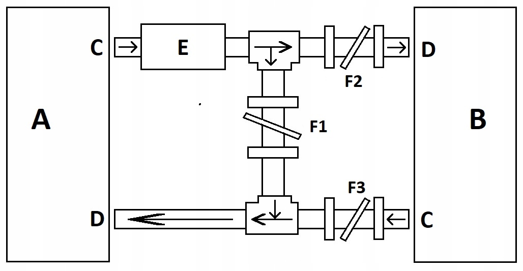
Байпасный комплект позволяет контролировать подачу воды к тепловому насосу, установленному между фильтром бассейна, тепловым насосом и бассейном. Если установка бассейна оборудована системой очистки, которая дозирует в воду бассейна продукты, например, хлор или соль, то этот байпас устанавливается перед этой установкой. Благодаря использованию хороших клапанов можно свободно регулировать подачу или полностью закрыть циркуляцию, например, чтобы разобрать прибор на зиму.
Комплектация:
- 2 х тройника ПВХ 50 мм
- 6 х трубы ПВХ 50 мм, L 100 мм li>
- 2 х трубы ПВХ 50 мм, L 120 мм *
- 1 х клей ПВХ 100 мл
- 1 х очиститель ПВХ 125 мл
- 2 х уплотнитель для шланга
- 3 шаровых крана ПВХ 50 мм
- 2 штуцера для шланга 50x63x2
* 2 трубы ПВХ 50 мм, L 120 мм - для возможной резки в зависимости от расстояния между входом и выходом воды в тепловом насосе.
Байпас необходимо клеить самостоятельно.
На зиму элементы байпаса необходимо демонтировать.
