БІСТАБІЛЬНА КНОПКА З ВИМКНЕННЯМ ЧАС. F&F BIS-413
- Время доставки: 7-10 дней
- Состояние товара: новый
- Доступное количество: 24
Просматривая «БІСТАБІЛЬНА КНОПКА З ВИМКНЕННЯМ ЧАС. F&F BIS-413» данный товар из каталога «Електромеханічний», вы можете получить дополнительную скидку 4%, если произведете 100% предоплату. Размер скидки вы можете увидеть сразу при оформлении заказа на сайте. Внимание!!! Скидка распространяется только при заказе через сайт.
ИМПУЛЬСНОЕ БИСТАБИЛЬНОЕ РЕЛЕ С ВРЕМЕНЕМ 16А 230В AC 1P BIS-413
- Производитель: F&F Pabianice
- Номер производителя: BIS-413 230 В
- Источник питания: < b >100÷265 В~
- Ток контакта/нагрузки AC-1: раздельный 1×НО/НЗ / <16A
- Макс. . ток кнопок управления: Σ5мА
- Задержка активации: 0,1÷0,2с
- Индикация питания: Светодиод зеленый
- Индикация активации: красный светодиод
- Потребляемая мощность (режим ожидания): 0,15 Вт li>
- Потребляемая мощность (при включении): 0,6 Вт
- Рабочая температура: -25÷50°C
- Монтаж на Кронштейн TH35
- Подключение: винтовые клеммы 2,5 мм2
- Момент затяжки: 0, 4 Нм< /li>
- Класс защиты: IP20
- Сертификат CE
- Польский продукт!
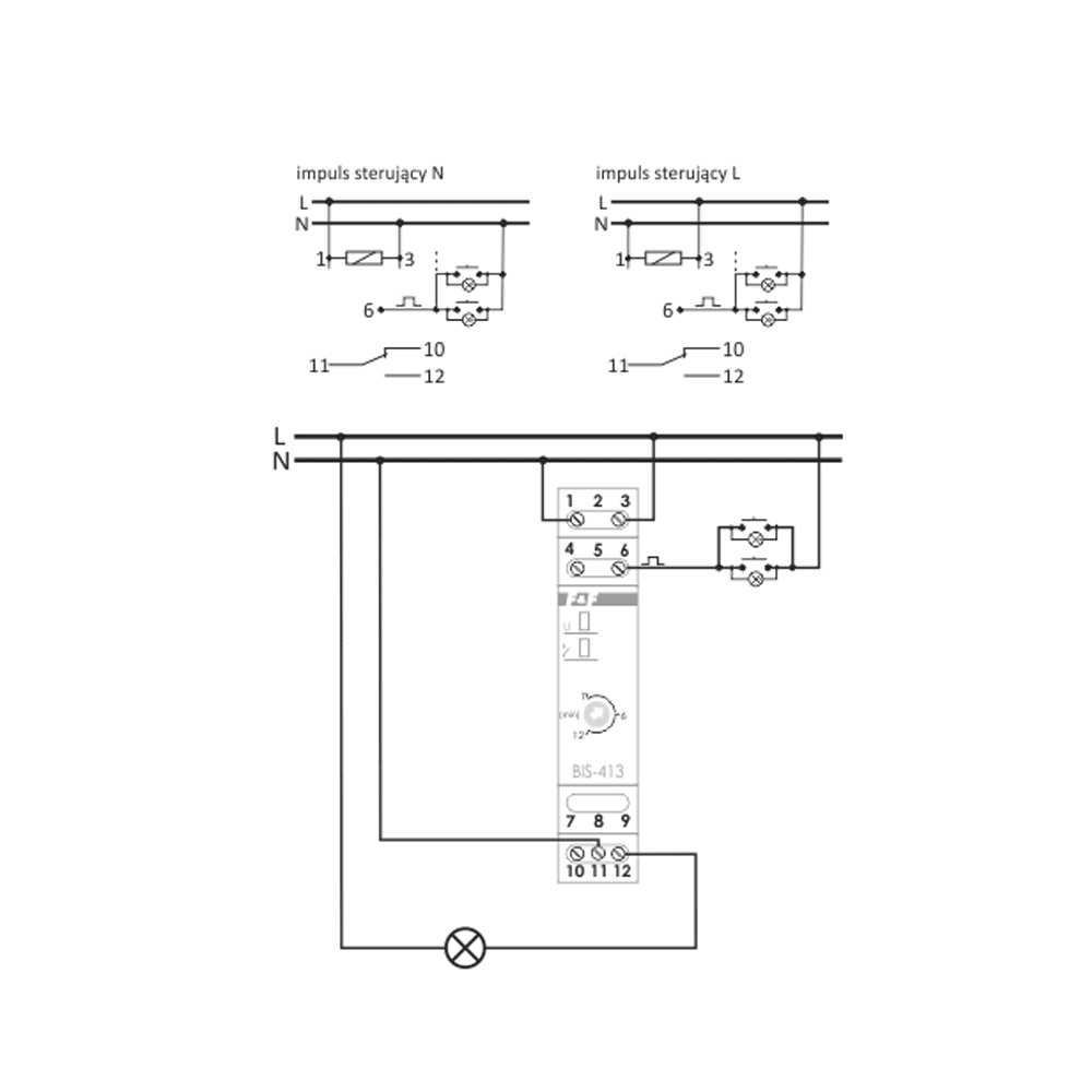
Электронное бистабильное импульсное реле БИС-413 — устройство, позволяющее включать/выключать освещение или другое устройство на заданный период времени или постоянно. Работа устройства контролируется одним или несколькими переключателями мгновенного действия (колокольчиками), соединенными параллельно.
Включение питания реле сигнализируется загоранием зеленого светодиода. Красный светодиод указывает на рабочее состояние устройства.
Короткое нажатие кратковременной кнопки (колокольчика) включает реле и замыкает контакт между выходами 11 и 12. Реле выключается и размыкает контакт. 11-12 по истечении установленного времени t или после повторного нажатия переключателя мгновенного действия. Состояние срабатывания реле в течение запрограммированного периода времени индицируется миганием красного светодиода. Длительное нажатие кнопки, продолжающееся не менее 2 секунд, включает реле постоянно, о чем свидетельствует постоянное свечение красного светодиода. Реле выключится только после повторного нажатия на кнопку без фиксации (или после сбоя питания).
БИС-413 230В может работать с выключателями с подсветкой.
СХЕМА ПОДКЛЮЧЕНИЯ:
О ПРОИЗВОДИТЕЛЕ:
F&F была основана в 1992 году. Оно возникло из торгово-сервисной компании, работающей в сфере электронной промышленности. Опыт владельцев в области электроники и электротехники позволил им создать производственную компанию, предлагающую электронные устройства управления для бытовой и промышленной автоматизации.
В настоящее время сотрудничество научно-исследовательского отдела компании с научным сообщества и клиентов приводит к динамичному развитию предложения и позволяет создавать решения с все более высоким уровнем технологического прогресса, примерами которых являются системы умного дома F&Home и системы телеметрии. F&F — известный бренд в Польше, продукция, выпускаемая под ним, реализуется также на рынках России, Украины, Белоруссии, Литвы, Латвии, Чехии, Словакии, Венгрии, Румынии, Сербии. , Германии, Греции, Ирландии и Швеции, Норвегии, Португалии, Чили и США.
Девиз компании – создание инновационных решений для партнеров.
