Черв'ячна передача VMR NMRV 40 1 / 7.5 71B14
- Время доставки: 7-10 дней
- Состояние товара: новый
- Доступное количество: 5
Просматривая «Черв'ячна передача VMR NMRV 40 1 / 7.5 71B14», вы можете быть уверены, что данный товар из каталога «Редукторы» будет доставлен из Польши и проверен на целостность. В цене товара, указанной на сайте, учтена доставка из Польши. Внимание!!! Товары для Евросоюза, согласно законодательству стран Евросоюза, могут отличаться упаковкой или наполнением.
Предмет аукциона:
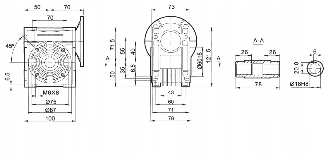
шестерня червячная НМРВ 040 1/7,5 71Б14. Эту маркировку можно прочитать следующим образом:
НМРВ - тип передачи - червячная с полым валом
040 - механический размер
1/7,5 - передаточное число
040 - механический размер
1/7,5 - передаточное число
040 p>
71B14 - Фланец крепления двигателя типа B14 (малый).
Размер фланца - 71
Коробка передач новая, заправлена маслом - готова к установке
Размеры фланца 71B14.
P = 105 мм
M = 85 мм
N = 70 мм
D = 14 мм
ПРИМЕЧАНИЕ
Фланцы взаимозаменяемы. Если буртик, показанный на чертеже, подходит не подходит - возможен заказ коробки передач с другой за отдельную плату после предварительной консультации (размеры фланцев указаны в таблице ниже).
Отверстие D не подходит к двигателю? b> Проверьте переходные втулки (ниже) в продуктах, рекомендованных для этой трансмиссии.
Типичные асинхронные двигатели, рекомендуемые для этого редуктора:
0,25 кВт, N = 900/1400/2800 об/мин
0,37 кВт, N = 900/1400/2800 об/мин
0,55 кВт, N = 1400/2800 об/мин
Примечание: Выбор мощности двигателя зависит от передаточного числа, числа оборотов, типа и условий эксплуатации привода. Приведенные выше данные являются оценочными данными, предоставленными производителем редуктора, при условии плавной и равномерной работы без перегрузок.
Рекомендуемые изделия из нашего предложения для данного редуктора:
Втулки редукционные размерами: (9/11, 11/14, 14/19, 19/24, 24/ 28, 28/32) с набором воздухозаборников.
Роликовые насадки, повышающие передаточное число (стандартное передаточное число 1/3):
Полные комплекты зубчатых муфт и выходные валы:
У нас также есть другие виды шестерен, вариаторов и аксессуаров.
Мы являемся профессиональным поставщиком компонентов электропередачи. Мы предлагаем помощь в выборе и настройке компонентов привода.
