VMR NMRV 63 1/15 90B14 Червячная передача
- Время доставки: 7-10 дней
- Состояние товара: новый
- Доступное количество: 1
Оплачивая «VMR NMRV 63 1/15 90B14 Червячная передача», вы можете быть уверены, что данный товар из каталога «Редукторы» будет доставлен из Польши и проверен на целостность. В цене товара, указанной на сайте, учтена доставка из Польши. Внимание!!! Товары для Евросоюза, согласно законодательству стран Евросоюза, могут отличаться упаковкой или наполнением.
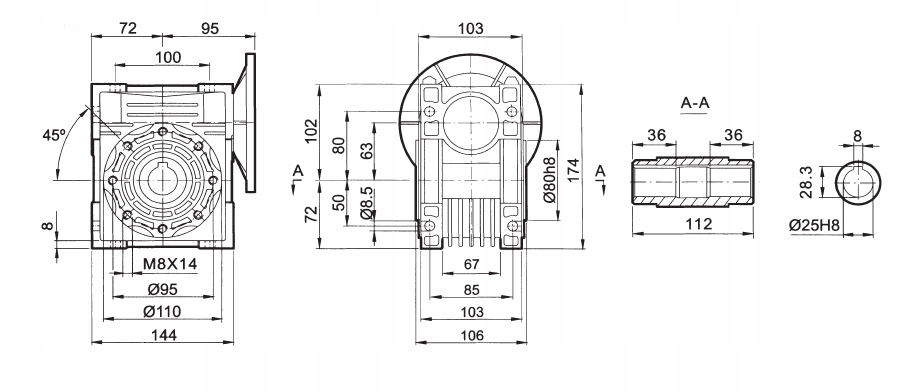
Червячная передача НМРВ 063 1/15 90В14. Эту маркировку можно прочитать следующим образом:
НМРВ - тип шестерни - червячная с полым валом
063 - механический размер
1/15 - передаточное число
90B14 - фланец крепления двигателя типа В14 (малый).
Размер фланца - 90
Шестерня новая, заправлена маслом - готова к установке
Размеры фланца 90B14.
P = 140 мм
M = 115 мм
N = 95 мм
D = 24 мм
ПРИМЕЧАНИЕ
Фланцы взаимозаменяемы. Если фланец, показанный на чертеже, не подходит - можно заказать редуктор с другим после предварительной договоренности. проконсультируйтесь (размеры фланцев указаны в таблице ниже).
Отверстие D не подходит к двигателю? Проверьте переходные втулки (ниже) в изделиях, рекомендованных для этой трансмиссии.
Типичные асинхронные двигатели, рекомендуемые для данного редуктора:
0,55 кВт, N = 900 об/мин
0,75 кВт, N = 900/1400 об/мин
1,1 кВт, N = 900/1400/2800 об/мин
1,5 кВт, N = 1400/2800 об/мин
2,2 кВт, N = 2800 об/мин
Примечание: Выбор мощности двигателя зависит от передаточного числа, числа оборотов, типа и условий эксплуатации привода. Приведенные выше данные являются оценочными данными, предоставленными производителем редуктора, при условии плавной и равномерной работы без перегрузок.
Рекомендуемые товары из нашего предложения для данного редуктора:
Гильзы редукционные размерами: (9/11, 11/14, 14/19, 19/24, 24/28, 28/32) с комплектом ключей.
Асинхронные двигатели (1- и 3-фазные, 1-, 2- и 3-полюсные, специальные) и U/F и векторные преобразователи
Роликовые насадки, повышающие передаточное число (стандартное передаточное число 1/3):
Полные комплекты зубчатых муфт и выходные валы:
У нас также есть другие виды шестерен, вариаторов и аксессуаров.
Мы являемся профессиональным поставщиком компонентов электропередачи. Мы предлагаем помощь в выборе и настройке компонентов привода.
