ДАТЧИК РУХУ 12V PIR 180 DUSK LED
Код: 13411198313
1317 грн
Цена указана с доставкой в Украину
Товар есть в наличии
КАК ЭКОНОМИТЬ НА ДОСТАВКЕ?
Заказывайте большое количество товаров у этого продавца
Информация
- Время доставки: 7-10 дней
- Состояние товара: новый
- Доступное количество: 972
Оплачивая «ДАТЧИК РУХУ 12V PIR 180 DUSK LED», вы можете быть уверены, что данное изделие из каталога «Датчики» будет доставлено из Польши и проверено на целостность. В цене товара, указанной на сайте, учтена доставка из Польши. Внимание!!! Товары для Евросоюза, согласно законодательству стран Евросоюза, могут отличаться упаковкой или наполнением.
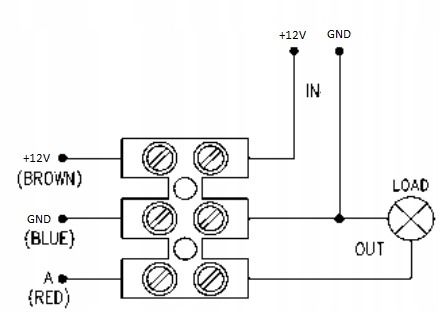
ПИР-датчик движения 12 В, 180°
С сумеречным датчиком
ИДЕАЛЬНО ДЛЯ СОВРЕМЕННОГО СВЕТОДИОДНОГО ОСВЕЩЕНИЯ:
- ЛЕНТА,
- ЛАМПОЧКИ,
- СВЕТОДИОДНЫЕ МОДУЛИ
- и т. д.
Возможность регулировать время от 10 секунд до 7 минут.
Регулировка светочувствительности
Настройки:
Датчик имеет регулируемое время свечения и интенсивность света, при которой он должен работать. Например, вы можете настроить его на работу только ночью или днем и ночью. Есть и промежуточные настройки.
Спецификация:
- Цвет: Черный (Белый доступен на другом аукционе)
- Напряжение питания: 12 В
- Поле обнаружения: 180°
- Поле обнаружения: 180°
- li>
- li>
- Порог активации: >3–2000 люкс.
- Защита от проникновения: IP44.
- Дальность обнаружения: 12 м.
- Макс. нагрузка: 144 Вт
