DEFRO DBO S 400L СТАЦИОНАРНЫЙ БУФЕР ИЗОЛИРОВАННЫЙ
- Время доставки: 7-10 дней
- Состояние товара: новый
- Доступное количество: 4
Оплачивая «DEFRO DBO S 400L СТАЦИОНАРНЫЙ БУФЕР ИЗОЛИРОВАННЫЙ» данный товар из каталога «Бойлеры», вы можете получить дополнительную скидку 4%, если произведете 100% предоплату. Размер скидки вы можете увидеть сразу при оформлении заказа на сайте. Внимание!!! Скидка распространяется только при заказе через сайт.
DEFRO DBO S ИЗОЛИРОВАННЫЙ СТОЯЩИЙ БУФЕРНЫЙ БАК ДЛЯ ТЕПЛОВЫХ НАСОСОВ 400 Л
Накопительный бак DBO S* (буферный) отвечает за сбор, хранение и передачу избыточной горячей воды для отопления. от различных источников тепла, таких как: пеллетные котлы, угольные котлы на эко-горошке, питательные котлы или тепловые насосы. Буфер защищает установку центрального отопления. Я беру на себя разницу между тепловой мощностью отопительных приборов и мощностью, передаваемой в систему отопления. DBO D W*, благодаря разъемам, установленным внизу, легко подключается к отопительным приборам производства DEFRO.
Теплоизоляция буферов выполнена из слоя пенополистирола, постоянно прикрепленного к стенкам резервуара. . Теплоизоляционный кожух изготовлен из пластика. Наши буферы имеют высокий класс энергоэффективности.
S* – стоящие, W* – подвесные
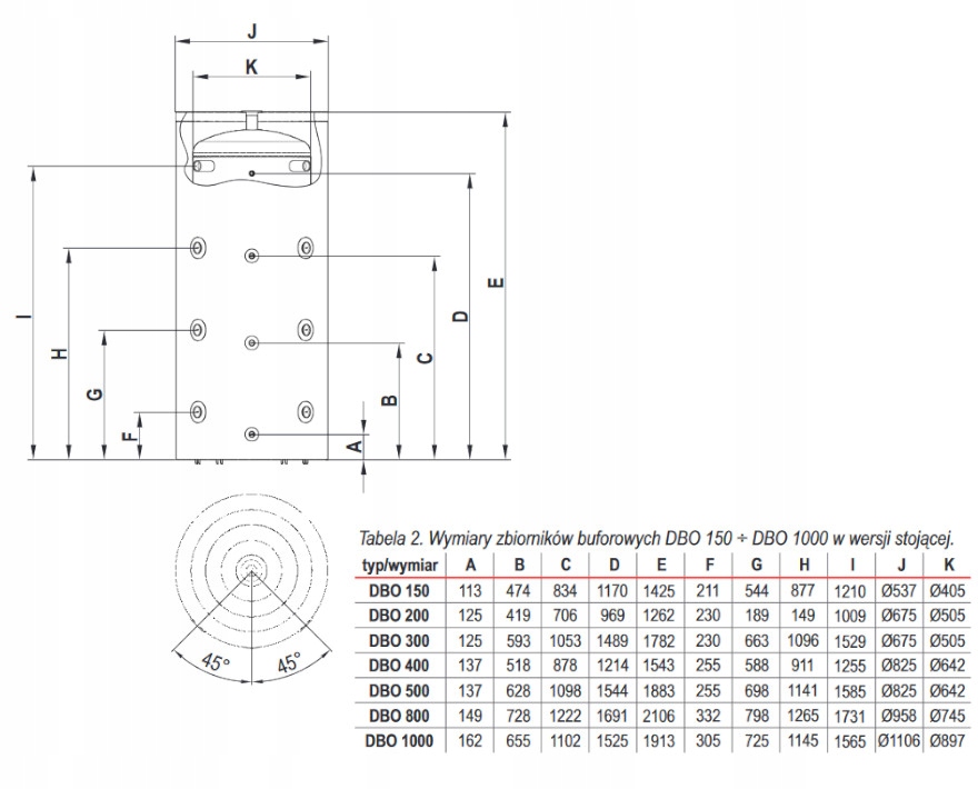
Технические данные и размеры
