Гидрист. 2 секции 40L двухпользованная защелка
- Время доставки: 7-10 дней
- Состояние товара: новый
- Доступное количество: 874
Просматривая «Гидрист. 2 секции 40L двухпользованная защелка» данный товар из каталога «Разделители» вы можете быть уверены, что после оформления заказа, доставки в Украину, вы получите именно то, что заказывали, в оговоренные сроки и европейского качества.
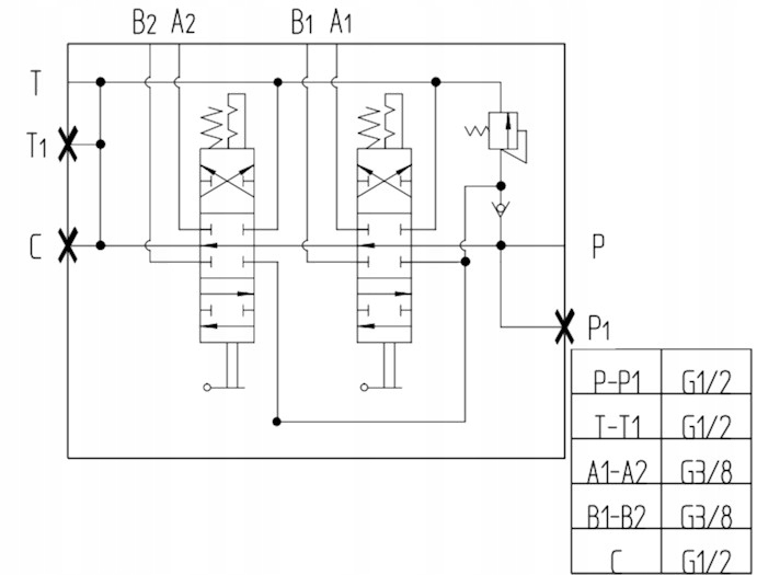
Гидравлический дистрибьютор 2 Раздел 40L + Двусторонняя защелка h1> Код вырезания: [3313] h2> Производитель: SM-G (Schew Met Group) h2>
Производитель: SM-G (Schew Met Group) h2>
Высококачественный распределитель, моноблок характеризуется компактным дизайном, стабильной работой и большой универсальной.
позволяет управлять двумя цилиндрами двустороннего действия.
Можно подключить сериал к существующей системе.
Использовать в дизайне latch вызывает, что будет работать отлично в устройствах, которые не требуют постоянного удержания рук на рычаге ( рабочее время за один раз ( ). На положении 0 (нейтральное)
универсальный дистрибьютор, используется в различных типах машин, таких как:
- Циклоп
- tury
- Погрузчики
- plow
- forklifts и многие другие
Руководство по три позиции (1 - 0 - 2) h2> - Нейтральное положение (рычаг устанавливает вертикально). Поршневый стержень привода стоит - нефть идет к передаче.
-
- Позиция 1 Рабочая (рычаг помещен в диагональное положение вперед) поршень привода. Рабочий (рычаг установлен в косой положении) Ploczysko, привод скрывает.
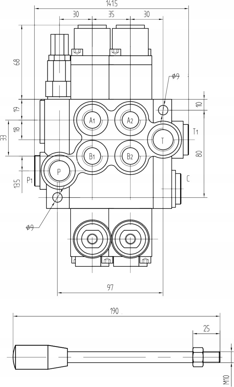
соединение:
- питания ( p ) bsp 1/2 ''
- return ( t bsp 1/2 ''
- to bsp 1/2 ''
-
- соединение bsp 1/2 "
Техническая спецификация:
Поток масла: 0 -40 л/мин.
оснащен предохранительным клапаном
