ДРОСЕЛЬ МЕТАЛЕВИЙ ПГ-16 ДЛЯ КАБЕЛЬНИХ ТРУБ 20мм IP65
- Время доставки: 7-10 дней
- Состояние товара: новый
- Доступное количество: 70
Просматривая «ДРОСЕЛЬ МЕТАЛЕВИЙ ПГ-16 ДЛЯ КАБЕЛЬНИХ ТРУБ 20мм IP65» данное изделие из «Сальники» вы можете быть уверены, что после оформления заказа, доставки в Украину, вы получите именно то, что заказывали, в оговоренные сроки и европейского качества.
Металлический сальник с наружной резьбой PG-16 IP65 для труб и кабелепроводов Anaconda диаметром 20 мм
Серия компактных сальников из никелированной латуни, предназначенных для использования с металлическими кабелепроводами Anaconda Multiflex и Multitite .
Представленный продукт отличается более короткой резьбой и меньшим весом по сравнению со стандартными сальниками.
Фитинги специально разработаны для лучшего прилегания и обеспечения равномерности лучшая посадка и высочайшее качество прочного и плотного соединения. Качественная отделка защищает их от коррозии и придает эстетичный внешний вид.
Спецификация:
- Производитель: ANAMET
- Серия: Anaconda
- Индекс: 710.016.4
- Конструкция: сальник из никелированной латуни, состоящий из четырех частей (контргайка, зажимное кольцо, штуцер и корпус)
- Материал: контргайка и корпус — из никелированной латуни, фитинги — из пассивированной латуни, прижимное кольцо — из полиамида ПА6.
- Эксплуатация температура:
- b> от -45 ºC до +105 ºC
- Класс герметичности: IP65
- Цвет : металлик
- Вес: 51 г
- Упаковка: 1 шт (товар поставляется с завода оптом упаковке, он будет доставлен в заменяющей упаковке)
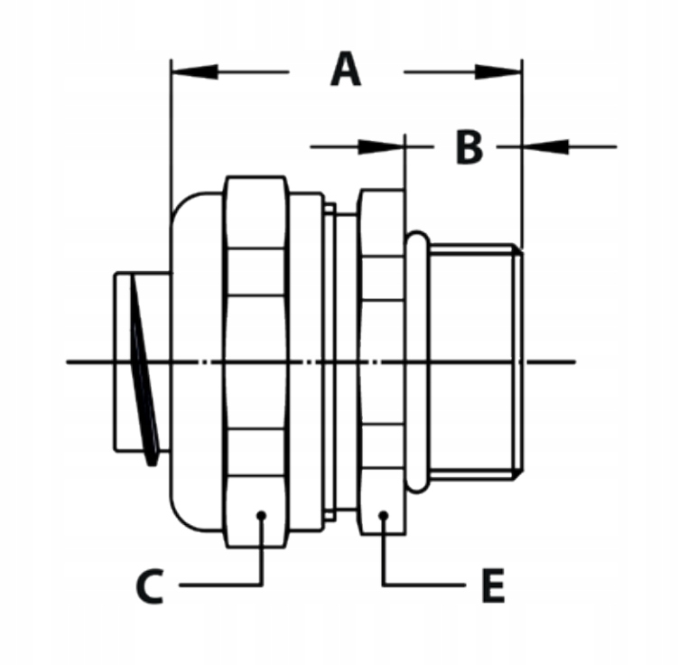
Размеры:
- Внешняя резьба (ISO): PG 16
- Внутренняя резьба (размер DN): 20 b>
- Мин. внутренний диаметр: 15,2 мм
- A - 32 мм
- B - 10 мм
- C - 29 мм
- E - 27 мм ul>
Применение:
- Строительство машин и устройств
- Стандартные электроустановки
- Скрытая прокладка
- Кабельные туннели
- Кабельные туннели
- li >
- Защита данных и оптоволоконных кабелей
- Конструкция подвижного состава в установках на крыше и стенах транспортного средства
- Системы информирования пассажиров
- Системы видеонаблюдения
- li>
- Системы закрывания дверей
Изделие предназначено для выполнения функций и использования, указанных в описании.
Производитель - Anamet Europe
Anamet Europe BV специализируется на гибких шлангах для передачи жидкостей и газов, а также системах защиты кабелей и электрических проводов.
Компания предоставляет решения и поддерживает своих клиентов по всему миру. Благодаря многолетнему опыту они способны решить практически все технические проблемы, связанные с монтажом и защитой рукавов, проводов и кабелей в различных промышленных объектах.
