TECHWAR TL0002-400V Автоматический двухстоечный подъемник AMT 4000KG
- Время доставки: 7-10 дней
- Состояние товара: новый
- Доступное количество: 8
Заказывая «TECHWAR TL0002-400V Автоматический двухстоечный подъемник AMT 4000KG» данный товар из каталога «Столбчатые подъемники», вы можете получить дополнительную скидку 4%, если произведете 100% предоплату. Размер скидки вы можете увидеть сразу при оформлении заказа на сайте. Внимание!!! Скидка распространяется только при заказе через сайт.
Автоматический двухколонный подъемник AMT 4T TL0002-400V TECHWAR
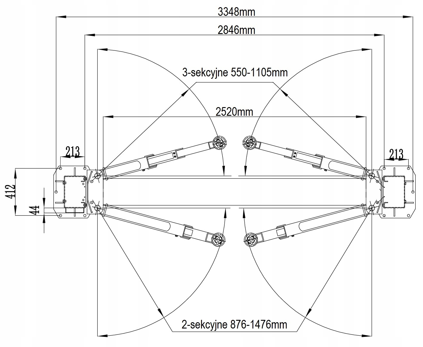
Основными преимуществами представленной модели являются точность изготовления, прочная конструкция и надежные комплектующие (все наши подъемники оснащены алюминиевыми масляными насосами). Лифт оборудован системой АМТ. Рычаг автоматической АМТ не только поднимает и опускает автомобили, но и освобождает предохранители. Лифт TL0002 поднимается на высоту 1900 мм, имеет низкий проход 25 мм, оснащен крышками колонн и розеткой 230 В на блоке управления. Передние рычаги имеют трехсекционную телескопическую конструкцию. Наименьшее расстояние между рычагами (550 мм) позволяет поднимать небольшие пассажирские автомобили. Максимальное расстояние между рычагами (1476 мм) необходимо для стабильного позиционирования и безопасной эксплуатации средств доставки. Рычаги подъемника асимметричны и складываются наружу, что обеспечивает оптимальную балансировку поднимаемого автомобиля. В стандартную комплектацию подъемника входит комплект проставок высотой 80 мм. Они необходимы при обслуживании развозных фургонов с тентом и внедорожников, поднимаемых за раму. Опоры, размещенные под автомобилем, откручиваются и крепятся к рычагам и проставкам с помощью защелки.
Автоматический подъем
Преимуществом автоматического подъемника является удобное управление процессом подъема и опускания с помощью рычага, без необходимости ручного снятия замков на каждой колонне. Решение сокращает время работы лифта, поскольку сотруднику не нужно переходить на другую сторону автомобиля, чтобы разблокировать замки.
Безопасность
Система предохранительных защелок активируется автоматически при подъеме автомобиля. Кроме того, концевой выключатель останавливает процесс подъема, когда подъемник достигает максимальной высоты. Концевой выключатель также установлен в самом нижнем положении подъемных тележек, благодаря чему перегрузка гидравлической системы сводится к минимуму. Дополнительно подъемные тележки оснащены резиновой защитой, защищающей двери автомобиля от повреждений. Подъемник также оснащен звуковым сигналом, информирующим персонал о работе подъемника при опускании автомобиля. Также на панели управления имеется аварийный выключатель, который позволит мгновенно остановить работу лифта в опасной ситуации.
Долговечность
Точная обработка компонентов не только продлевает срок службы подъемника, но и гарантирует больший комфорт при работе. Специально разработанные электромагнитные замки гарантируют бесшумную работу лифта. Высокое качество используемых материалов гарантирует надежную эксплуатацию подъемника на протяжении многих лет. Все наши подъемники оснащены надежными и безотказными алюминиевыми насосами. Механические элементы (цепь, привод, салазки, тросы) защищены специальными крышками, установленными внутри каждой колонны.
Документы для Управления технического надзора
Все лифты Techwar имеют действующий сертификат CE, выданный уполномоченным органом Европейского Союза, и отвечают необходимым требованиям для регистрации в Управлении технического надзора. Вместе с лифтом вы получаете два экземпляра технической документации. Для регистрации лифта необходима строительно-монтажная и электротехническая документация, а также протокол монтажа, входящий в состав документации лифта
Подготовка грунта
Основные требования к подготовке грунта для установки двухколонного подъемника:
Минимальные размеры грунта: длина – 4000 мм, ширина – 1000 мм, глубина – 250 мм
Поверхность, на которой будет установлен подъемник, должна быть однородной и ровной.
Допустимый перепад уровней – до 1 см на 4м
Бетон В25/30
