E.Control.W02 10A ЭЛЕКТРОСКИЙ РЕЛА (Приоритет)
- Время доставки: 7-10 дней
- Состояние товара: новый
- Доступное количество: 71
Просматривая «E.Control.W02 10A ЭЛЕКТРОСКИЙ РЕЛА (Приоритет)», вы можете быть уверены, что данный товар из каталога «[rubrica_name]» будет доставлен из Польши и проверен на целостность. В цене товара, указанной на сайте, учтена доставка из Польши. Внимание!!! Товары для Евросоюза, согласно законодательству стран Евросоюза, могут отличаться упаковкой или наполнением.
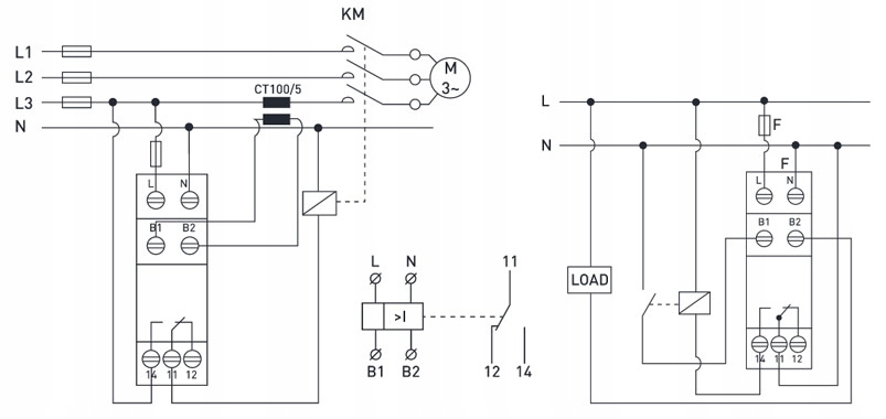
e.control.w02 (приоритет) Контрольный реле (приоритет) (приоритет)
Статья: I0310025
Описание:
e.control.w02 был разработан для защиты двигателя и других систем от излишнего текущего. Он работает на основе установленных предельных значений, обеспечивая защиту и эффективность электрических систем.
Техническая спецификация:
- Power: AC 230 В, 50 Гц
- Освобождение тока: 1-10 a
- 5%
- задержка: 1-6 секунд задержка: 1-6 секунд 0,5-10 секунд
- Степень защиты: ip20
- Диапазон рабочих температур: -25 ...+50 ° C
- Установка: DIN Rail 35 мм
-
- - передача сигналов питания. Электричество:
"ICM". - Корректировка задержки: Toff Roob.
- Начальная задержка Корректировка: "ton"
Применение:
Для защиты электрических устройств, таких как двигатели и другие промышленные системы, в ситуациях, когда требуется мониторинг и сокращение электроэнергии. Благодаря возможности настройки времени задержки для включения и выключения, это устройство обеспечивает гибкость и безопасность в управлении электрической нагрузкой. Идеально подходит для промышленного и технологического применения, требуя надежной защиты энергии.
