Электрический гидравлический дистрибьютор 4 сентября 40L 12 В + Гидролядер панели с стером
- Время доставки: 7-10 дней
- Состояние товара: новый
- Доступное количество: 126
Оплачивая «Электрический гидравлический дистрибьютор 4 сентября 40L 12 В + Гидролядер панели с стером» данный товар из каталога «Гидравлическая система», вы можете получить дополнительную скидку 4%, если произведете 100% предоплату. Размер скидки вы можете увидеть сразу при оформлении заказа на сайте. Внимание!!! Скидка распространяется только при заказе через сайт.
Гидравлический дистрибьютор 4 Раздел 1.10.60.041
Применение:
Он широко используется в гидравлических системах в сельском хозяйстве, выращивании фруктов, лесном хозяйстве, строительстве и широко понятной промышленности. HDS Chargers, строительные машины, зарядные устройства, экскаваторы, подметальные машины, промышленные машины и другие устройства с гидравлической системой.
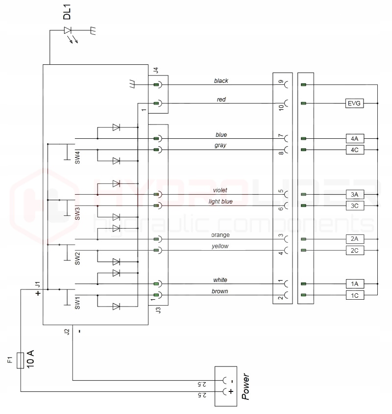
Панель позволяет вам управлять начальным разделом и четыре рабочих раздела в гидравлическом распределке Cecop Electrical Gydraulic. Набор кабелей, обеспечивающих электрическое соединение всех разделов коллектора с панелью управления.
Технические данные:
включает в себя: блок клапана, раздел рельефа, четыре коллектора, набор соединений с выходной и панелью M18x1.5 с кабельной пучком. L/мин.
Управление образцом: четыре 2-страничных привода.
Материал:
Говорящий корпус и стальные ползунки, электрические заглушки и пластиковые нажатые гайки, блок в зависимости от стальной или алюминиевой части, пластиковая панель.
Общие функции коллектора:
Принцип действия:
Дистрибьютор имеет один стартовый раздел и четыре рабочего раздела. Начальная секция, в противном случае, необходимо, он предназначен для облегчения насоса, в то время как мы не контролируем какой -либо рабочий раздел коллектора. начинающий
control:
Слайдер стартовой секции с двумя положениями (0 - 1), на пружине, то есть он возвращается в нейтральное положение после отрезания источника питания. В то время как молния находится в нейтральном положении, масло переходит к переносу, насос облегчается.
Принцип работы слайдера:
- Нейтральное положение 0 (питание от обрезания катушки) Невозможно получить давление на рабочие разделы.
- Открытые катушки) Возможности получения давления в рабочих разделах.
Слайдер рабочей части трех -позиции (1 - 0 - 2), на пружине, то есть он возвращается в нейтральное положение после отрезания источника питания. 0 Нейтральный (ток поставки обеих катушек обрезается)
на правой стороне гидравлических диаграмм, последовательно сверху диаграммы начальной секции и ниже диаграммы рабочих разделов:
Электричество:
Фиксирование источника питания (DC) 12V
Соединение (внутренние потоки в теле):
- Переход питания с насоса (P): внутренняя нить BSP 1/2 ''
- Возвращение в резервуар (T) 1/2 '
- . A3, A4; Фильтрующий клапан устанавливает 175Bar
Возможность независимого регулирования, полное изменение вращения на 30BAR.
Рекомендуется типами масла Agricola:
- Редкое высококачественное масло: лотос агрол бокс 26
- .
Рекомендуемый диапазон температуры масла:
- Апритне.
Общие функции панели управления:
Все переключатели с верхним днем с автоматической центригацией (1-0-2) без защелки. У нас также есть 3M, 5M, 7M или 9M, расширяющие наборы кабелей, которые доступны на других аукционах.
В положении любого переключателя сигнал также вводится также на дополнительную пару кабелей, которые можно использовать для запуска сигнализации предупреждения (рог, петух) или катушки с рельефным клапаном (дистрибьюторы CETOP) или переключение насоса через реле
Важно !!!
Наборы Агриколы были разработаны таким образом, что их можно легко собрать. Из -за безопасности товаров в транспорте и ограничений, вытекающих из правил курьеров, этот набор отправляется в несчастливое государство. Набор добавляется в точные инструкции для снимков для сборки вместе со списком отдельных элементов, включенных в него.
