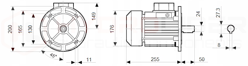
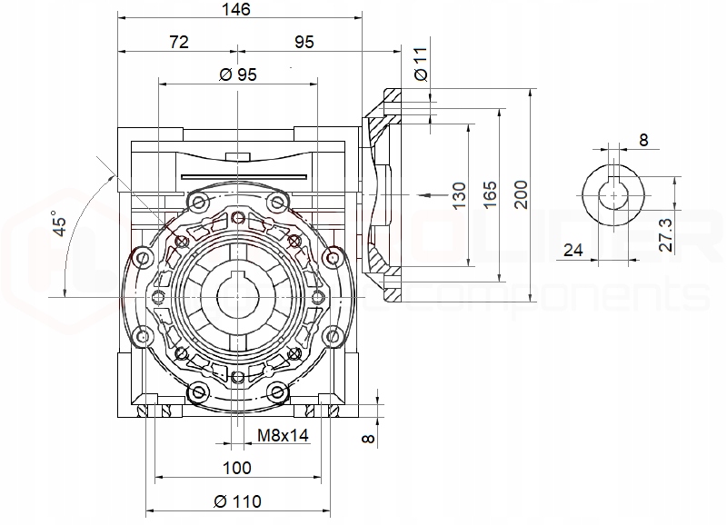
Электродвигатель мощностью 1,1 кВт, редуктор HMRV 63 1:20 NMRV MOTOVARIO.
- Время доставки: 7-10 дней
- Состояние товара: новый
- Доступное количество: 128
Просматривая «Электродвигатель мощностью 1,1 кВт, редуктор HMRV 63 1:20 NMRV MOTOVARIO.», вы можете быть уверены, что данный товар из каталога «Гидравлическая система» будет доставлен из Польши и проверен на целостность. В цене товара, указанной на сайте, учтена доставка из Польши. Внимание!!! Товары для Евросоюза, согласно законодательству стран Евросоюза, могут отличаться упаковкой или наполнением.
B35 3-ФАЗНЫЙ ЭЛЕКТРОДВИГАТЕЛЬ
380В 1,1кВт IEC90 С ЧЕРВЯЧНОЙ ПЕРЕДАЧЕЙ
HMRV 63 1:20 IEC90
Производство:
Оригинальный продукт марки Hydrolider, символ: 1.42.35.6312090.110
Применение:
Применяется в различных типах промышленных, сельскохозяйственных и лесохозяйственных машин, в том числе для привода деревообрабатывающих станков, моек высокого давления, ленточных конвейеров, шнеков, элеваторов и других. Используется взаимозаменяемо с моделями NMRV MOTOVARIO.
Технические данные:
- Тип двигателя: B35 1,1 кВт IEC90
- Ток (А): 2,64
- Напряжение (В): 400
- Скорость вращения вала двигателя (об/мин): 1400
- Направление вращения: правое или левое
- Уплотнение: IP55 на обоих стороны
- Корпус: алюминий
- Обмотка: медь
- Тип передачи: HMRV 63 IEC90
- Передача радиосигнала (снижение оборотов): 1:20
- Выходной вал: сквозной
- Внутренний диаметр выходного вала: 25 мм
- Обороты на выходе (после уменьшения): 70 об/мин
- Выходная мощность (после уменьшения): 1,1 кВт
- Выходной крутящий момент (после понижения): 120 Нм
