СОЛЕНОИДНЫЙ КЛАПАН ЭЛЕКТРИЧЕСКИЙ ГИДРАВЛИЧЕСКИЙ КЛАПАН 6/2 50Л 24В 1/2" ГИДРОЛИДЕР
- Время доставки: 7-10 дней
- Состояние товара: новый
- Доступное количество: 200
Просматривая «СОЛЕНОИДНЫЙ КЛАПАН ЭЛЕКТРИЧЕСКИЙ ГИДРАВЛИЧЕСКИЙ КЛАПАН 6/2 50Л 24В 1/2" ГИДРОЛИДЕР», вы можете быть уверены, что данный товар из каталога «[rubrica_name]» будет доставлен из Польши и проверен на целостность. В цене товара, указанной на сайте, учтена доставка из Польши. Внимание!!! Товары для Евросоюза, согласно законодательству стран Евросоюза, могут отличаться упаковкой или наполнением.
ДЕЛИТЕЛЬ (СОЛЕНОИДНЫЙ КЛАПАН) 6/2 24В
В КОМПЛЕКТЕ С ЭЛЕКТРИЧЕСКОЙ ВИЛКОЙ
Производство:
Оригинальный продукт бренда Badestnost, символ: 1.23.00.014
Применение:
Широко используется в гидравлических системах сельского хозяйства, садоводства, лесного хозяйства, строительства и широко понимаемой промышленности.
Разделитель адаптирован к различным типам машин, таким как: сельскохозяйственные машины, тракторы, опрыскиватели, туристические машины, циклопы, погрузчики HDS, строительные машины, погрузчики, экскаваторы, подметальные машины, промышленные машины и другие устройства с гидравлическим управлением.
Технические данные:
Электрическая вилка в комплекте.
Рекомендуемая система подачи масла: 0 - 50 л/мин.
Пример управления: два независимо работающих цилиндра двойного действия, управляемые из одной секции в гидрораспределителе.
Принцип работы:
Электромагнитный клапан, используя электрический импульс (24В), позволяет переключать управление между двумя независимо работающими приводами двойного действия. Это идеальное решение, когда у нас есть гидрораспределитель, в котором уже задействованы все имеющиеся секции, и вдруг возникла необходимость управления новым, дополнительным приводом.
В погрузчике ТУР это устройство позволяет управлять из одной секции в ковше-распределителе и тюкозахвате или крокодиле. Переключение между элементами управления осуществляется с помощью кнопки. Его можно установить рядом с распределителем или непосредственно на элементе управления, например, на рычаге или джойстике.
Электромагнитный клапан позволяет управлять двумя исполнительными механизмами, но не позволяет управлять ими одновременно. . Работу следует провести на первом исполнительном механизме, а затем переходим к управлению вторым исполнительным механизмом.
На фото пример использования электромагнитного клапана 6/2:
Управление:
Двухпозиционный ползунок (1 - 2), подпружиненный, т.е. самостоятельно возвращается в нейтральное положение после отключения источник питания. Пока ползун находится в нейтральном положении (1), можно управлять исполнительным механизмом №1.
Принцип работы ползуна:
- Положение 1 нейтральное (питание катушки отключено), возможность управления исполнительным механизмом №1.
- Рабочее положение 2 (подача тока на катушку), возможность управления исполнительным механизмом Нет 2.
Слева схема. гидравлический распределитель:
Ток:
Питание постоянного тока (DC) 24В
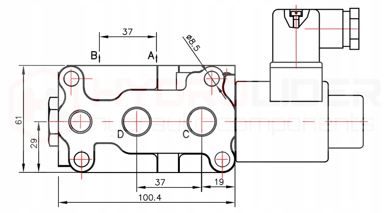
Подключение:
- Электропитание от распределительной секции (P1, P2): внутренняя резьба BSP 1/2 дюйма.
- Выход на привод № 1 (A, B): внутренняя резьба BSP 1/2 дюйма.
- Выход на исполнительный механизм № 2. (C, D): внутренняя резьба BSP 1/2 дюйма.
Диапазон давления:
Максимальное давление: 210 бар
Типы масел, рекомендуемые AGRICOLA:
- Более жидкое высококачественное масло: LOTOS AGROL BOXOL 26.
- Более густое высококачественное масло: FUCHS. АГРОФАРМ HYDRATEC HVI 46
Рекомендуемый диапазон температур масла:
- Допустимая температура окружающей среды: от -40 C до +60 C
- Допустимая температура масла: от -15 С до +80 С.
- Рекомендуемая фильтрация масла на уровне 10 – 15 мкм.
