F&F ПЕРЕДАВАЧ НАПРУГИ ТЕМПЕРАТУРИ AT-1U-KT
- Время доставки: 7-10 дней
- Состояние товара: новый
- Доступное количество: 1
Заказывая «F&F ПЕРЕДАВАЧ НАПРУГИ ТЕМПЕРАТУРИ AT-1U-KT» данное изделие из «Счетчики и фотоаппарат. измерительный» вы можете быть уверены, что после оформления заказа, доставки в Украину, вы получите именно то, что заказывали, в оговоренные сроки и европейского качества.
F&F Преобразователь температуры с выходом напряжения 0÷10 В, Max-AT-1U-KT
Технические данные:
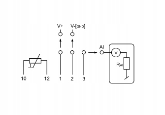
- Напряжение питания: 9÷30 В постоянного тока.
- Диапазон измерения: -50°С÷100°С.
- Температурный датчик : RT/RT2
- Максимальная погрешность измерения: ±1,5°С
- Выходной сигнал: 0 ÷10 В
- Погрешность обработки: ±0,5%
- Длина выходного кабеля: 20 м
- Подключение: винтовые клеммы 2,5 мм²
- Момент затяжки: 0,4 Нм
- Потребляемая мощность: 0,8 Вт
- Рабочая температура: -20÷50°С
- Размеры: 1 модуль (18 мм)
- Монтаж: на рейке 35 мм
- Уровень защиты: IP20
Описание продукта:
Аналоговый преобразователь температуры.
Напряжение (0–10 В).
Преобразователь Температура АТ-1У предназначен для измерения температуры с помощью внешнего датчика температуры и преобразования измеряемой величины в унифицированный аналоговый выходной сигнал напряжения в диапазоне 0÷10 В.
Работа:
Преобразователь напряжения и температуры АТ-1У непрерывно преобразует сопротивление внешнего датчика температуры в выходной сигнал напряжения в диапазоне 0÷10. В. В результате преобразования на выходе появляется напряжение, пропорциональное температуре среды, в которой находится датчик температуры.
Преобразователь температуры АТ-1У взаимодействует с резистивным датчиком температуры тип KTY81-210 (или аналогичный). p>
Специальные датчики температуры производства F&F: датчик RT или датчик RT2. Зонды приобретаются отдельно.
Из-за характера входного сигнала максимальная длина сигнальных кабелей (экранированных), соединяющих модуль с аналоговым входом, не должна превышать 20 м.
