Фільтр зворотної лінії 1 1/4" BSP MP Filtri
- Время доставки: 7-10 дней
- Состояние товара: новый
- Доступное количество: 6
Просматривая «Фільтр зворотної лінії 1 1/4" BSP MP Filtri» данный товар из каталога «Гидравлические агрегаты», вы можете получить дополнительную скидку 4%, если произведете 100% предоплату. Размер скидки вы можете увидеть сразу при оформлении заказа на сайте. Внимание!!! Скидка распространяется только при заказе через сайт.
Возвратный фильтр 1 1/4" BSP MP Filtri
✔️Технические данные:
Номер детали:MPS150RP10
EAN:
Единица:Искусство
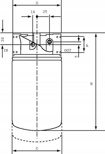
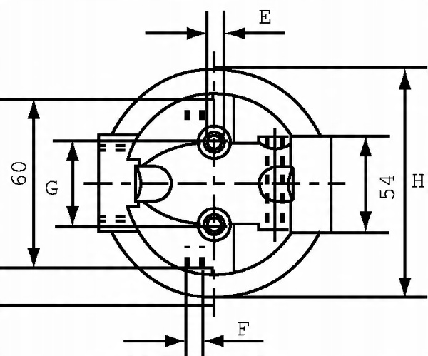
Описание продукта:MPS-R представляет собой комбинацию головки фильтра MPS и возвратного фильтра CS. Алюминиевая головка фильтра может быть быстро и легко установлена между трубами и является отличной недорогой альтернативой линейным фильтрам. Головка фильтра в стандартной комплектации оснащена байпасом и опционально может быть дополнена индикатором загрязнения. Показать больше
Подробнее о продукте:Применение: обратный фильтр. Монтаж: установка на трубу, фильтр в горизонтальном положении. В сочетании с фильтрующими вставками типа CS. Рабочее давление: макс. 12 бар Материал: алюминий Среда: минеральное масло Рабочая температура: от -25°C до +110°C Фильтрация: снаружи внутрь Давление открытия перепускного канала обратного фильтра: 1,75 бар Расход зависит от размера конструкции и выбранного фильтра. Доступны фильтрующие вставки из стекловолокна (А), бумаги (Р) или металла (М). Доступны следующие фильтрующие вставки: M25 / M60 / P10 / P25 / A03 / A06 / A10 / A16 / A25 (значения указаны в). мкм)
Фильтируемая среда:Гидравлическое масло
Степень фильтрации: 10 мкм
Обход:Да
Материал корпуса: Алюминий
Высота:295 мм
Внешний диаметр:133 мм
Диаметр резьбы выходного соединения:1–1/4 дюйма
Мин. рабочая температура:-25 °C
Максимальная рабочая температура:100 °C
Продюсер: МП Фильтри
