Flexo M10 × 1,25 Flex
- Время доставки: 7-10 дней
- Состояние товара: новый
- Доступное количество: 6
Оплачивая «Flexo M10 × 1,25 Flex» данное изделие из «Монтажные детали» вы можете быть уверены, что после оформления заказа, доставки в Украину, вы получите именно то, что заказывали, в оговоренные сроки и европейского качества.
✔ Технический:
Номер детали: sarc10125
ean: 8716106691753
Блок: Art
к цилиндрам: DIN ISO 21287, Uniop, DIN ISO 6432, DIN ISO 15552
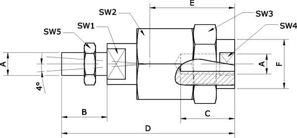
70 мм
Edcy E: 31 мм
galvan e: 31 мм
поршень, нить: m 10 x 1,25
SW2: 30 мм
sw3: 30 мм
19 м. 17 мм
Производитель:
Kramp - лидер в сельскохозяйственной промышленности Kramp является крупнейшим поставщиком запасных частей в Европе для сельскохозяйственной промышленности, лесного хозяйства и ухода за садом, Он является основным партнером предприятий в сельскохозяйственной, лесной промышленности, земляных работах и уходе за зеленым использованием. Kramp - это всеобъемлющий поставщик, предлагающий практически все, что нужно современной ферме - от небольших запасных частей до завершения машин и систем.
