ФОТОЭЛЕКТРИЧЕСКИЙ ПРЕДОХРАНИТЕЛЬ 1000V DC
- Время доставки: 7-10 дней
- Состояние товара: новый
- Доступное количество: 99653
Заказывая «ФОТОЭЛЕКТРИЧЕСКИЙ ПРЕДОХРАНИТЕЛЬ 1000V DC» данный товар из каталога «Альтернативные источники энергии», вы можете получить дополнительную скидку 4%, если произведете 100% предоплату. Размер скидки вы можете увидеть сразу при оформлении заказа на сайте. Внимание!!! Скидка распространяется только при заказе через сайт.
- Устройства защиты от перенапряжения класса B+C (T1+T2) используются для защиты фотоэлектрических установок от наведенных напряжений, коммутационных напряжений и напряжений, вызванных атмосферными факторами. Они оснащены визуальным индикатором срабатывания (зеленый — защита, красный — нет защиты).
- Защита АПВ построена на основе специального высокопоточного варистора и газового разрядника.
- Разрядники обладают свойствами, облегчающими их установку и эксплуатацию.
- Разрядники имеют управляющие контакты для контроля состояния вставок. Защитники могут работать как с подключенными контактами, так и без них.
Технические данные:
- Класс защиты: B+C (T1+T2),
- Количество полей: 3,
- Требуется безопасность - 32А,
- Номинальное напряжение Un - 1000В постоянного тока,
- Постоянное рабочее напряжение Uc - 1060В постоянного тока,
- In: 20кА, Imax: 40кА, >
- Вверх: <3,2кВ
- Рабочая температура окружающей среды: -30/+50°C,
- Макс. площадь соединений: 35 мм2,
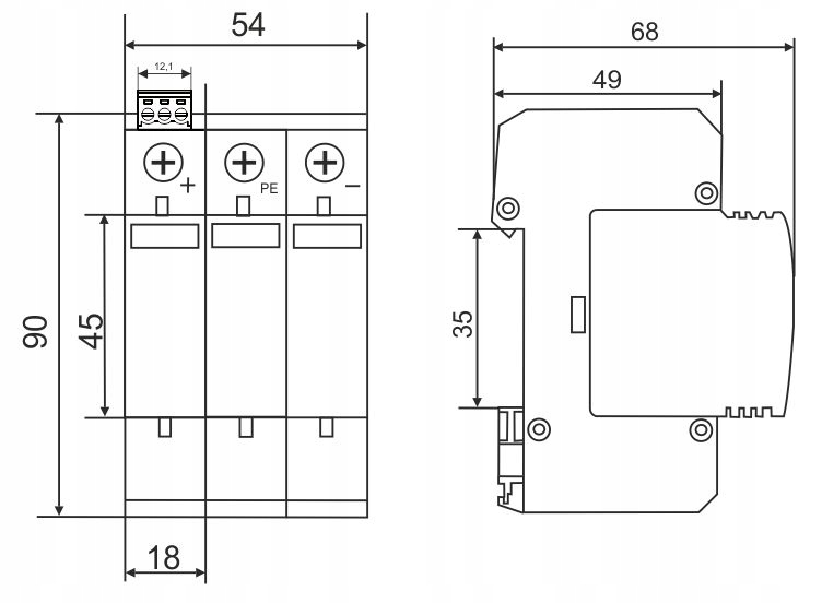
- Размеры: 54x94x62 мм (ширина х высота х глубина),
- Монтаж: рейка 35 мм,
- Герозонепроницаемость: IP20,
- Сертификат CE ul >
Четкий обзор состояния — большое окно индикатора, расположенное в центре, обеспечивает обзор состояния ограничителя даже при плохом освещении.
Быстрая установка - оптимизированный монтажный зажим обеспечивает простую и легкую сборку без использования инструментов.
Надежное удержание модулей в основании - стабильное крепление позволяет использовать ограничители в приложениях, подверженных риску вибрации, например, на ветряных электростанциях. При этом, нажав на фиксирующий элемент, можно снять модуль с основания.
Произведено в соответствии со стандартом IEC/EN 61643-11.< /п>
