ГІДРАВЛІЧНА СИСТЕМА КЕРМОВОГО УПРАВЛІННЯ ПІДВІСНІЙ БОРДОВИЙ 150HP КОМПЛЕКТ
Код: 15019595347
68935 грн
Цена указана с доставкой в Украину
Товар есть в наличии
КАК ЭКОНОМИТЬ НА ДОСТАВКЕ?
Заказывайте большое количество товаров у этого продавца
Информация
- Время доставки: 7-10 дней
- Состояние товара: новый
- Доступное количество: 3
Заказывая «ГІДРАВЛІЧНА СИСТЕМА КЕРМОВОГО УПРАВЛІННЯ ПІДВІСНІЙ БОРДОВИЙ 150HP КОМПЛЕКТ» данный товар из каталога «Рулевые шестерни», вы можете получить дополнительную скидку 4%, если произведете 100% предоплату. Размер скидки вы можете увидеть сразу при оформлении заказа на сайте. Внимание!!! Скидка распространяется только при заказе через сайт.
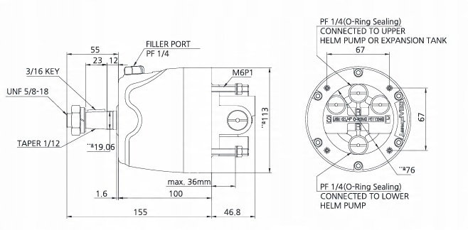
Полный набор, необходимый для управления подвесным мотором.
Изготовлен из нержавеющей стали и анодированного алюминия.
Простота установки и простота обслуживания.
ЦИЛИНДР ПОДХОДИТ ДЛЯ ДВИГАТЕЛЕЙ:
- Yamaha 4-тактный: от 75 до 150 км
- Yamaha 2-тактный: 50 км, 60 км и от 100 до 150 км
- Suzuki 4-тактный: от 70 до 150 км
- Honda / b> 4-тактный двигатель: от BF 50 до BF 150, за исключением старого BF 115A/старого BF 130A.
- Mercury: от 50 км до 150 км, за исключением старого 4-тактного двигателя (1732 куб.см) от 75 км и 115 км.
- Tohatsu 2-тактный: до 140 км
- Evinrude: от 65 до 150 км
- Объем 18 см3.
- Стандартный конус, подходящий для большинства рулей.
- Дополнительный вход, позволяющий установить еще одну станцию управления.
- 2 х 1 литр гидравлического масла ISO VG 15.
- 2 х 7-метровый гидравлический шланг
- Гидравлические разъемы, необходимые для подключения комплект
- Шланги, завернутые в крышку бокового прохода
- Комплект для заполнения и прокачки системы
