Гидравлический дистрибьютор 3 Раздел 80L + Плавание
- Время доставки: 7-10 дней
- Состояние товара: новый
- Доступное количество: 7
Просматривая «Гидравлический дистрибьютор 3 Раздел 80L + Плавание», вы можете быть уверены, что данный товар из каталога «Гидравлическая система» будет доставлен из Польши и проверен на целостность. В цене товара, указанной на сайте, учтена доставка из Польши. Внимание!!! Товары для Евросоюза, согласно законодательству стран Евросоюза, могут отличаться упаковкой или наполнением.
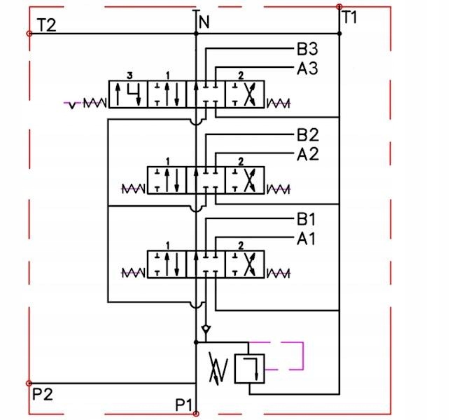
Гидравлический дистрибьютор 3 P80 с плавающей секцией
Применение:
Он имеет широкое применение в гидравлических системах в сельском хозяйстве, саду, лесном хозяйстве, строительстве и широко понятной отрасли. Тракторы, опрыскиватели, повороты, циклопы, погрузчики HDS, строительные машины, зарядные устройства, экскаваторы, подметальная машина, промышленная техника и другие гидравлически контролируемые устройства.
Проточный участок свободного потока, используемый, используемый, среди прочих. Для снежных плугов или в лобных погрузчиках повороты. Это вызывает свободное движение поршневого стержня в гидравлических цилиндрах. Он защищает от ущерба, который имеет прямой контакт с землей, например, плуг лезвия.
Технические данные:
Рекомендуемый поток масла системы: 0 - 80 л/мин.
Управление образцом: три цилиндра 2 -страничного действия.
давление).
control:
Первый и второй три -положенный рычаг (1 - 0 - 2), на пружине, она возвращается к вертикальной:
- Положение 0 Нейтральное (набор рычага вертикально) Ploczysko Actuator Stands - нефть идет до перевода.
- (рычаг помещен в косое положение) Ploczsko, привод простирается.
-  Работа 2 Положение (рычаг помещен в положение дефекта назад) Ploczysko Привод скрывает. Пружина (сам рычаг возвращается к вертикальной), позиция (3), плавающая в защелке (рычаг останавливается в плавающем положении):   - Нейтральное положение (рычаг установлен вертикально). Поршень привода стоит - масло идет на передачу.
- Наклонное к вперед) Плачжско привод. свободно под влиянием действующих сил.
 
Connection:
Power supply from the pump (P1, P2): internal thread BSP 1/2 '' or BSP 3/4 '' - depending on the delivery
Return to the tank (T1, T2): internal thread BSP 3/4 '' '
Sections (A1, A1, A2, A3 B2, B3): BSP 1/2 «Внутренний поток
Последовательное соединение (n): внутренняя потока BSP 3/4»
Речевой диапазон:
Максимальное давление на источник питания: 250bar
Максимальное давление на возврат: 50bar
Максимальное давление на: 300bar
Возможность независимой регулировки, полное изменение вращения на 30BAR.
Мы предлагаем большинство видов гидравлических двигателей, а также общий ассортимент в области гидравлики силы. Насосы, коллекторы, гидравлические цилиндры, клапаны, гидравлические кабели.
Мы выпускаем счета
Мы приглашаем вас сотрудничать
