Гідравлічний двигун M+S Hydraulic MH 200 C MH200C
- Время доставки: 7-10 дней
- Состояние товара: новый
- Доступное количество: 3
Оплачивая «Гідравлічний двигун M+S Hydraulic MH 200 C MH200C» данное изделие из «Гидравлические двигатели» вы можете быть уверены, что после оформления заказа, доставки в Украину, вы получите именно то, что заказывали, в оговоренные сроки и европейского качества.
МЫ ПРИГЛАШАЕМ ВАС ПРИОБРЕСТИ ГЕРОТОРНЫЕ МОТОРЫ ОТ M+S Hydraulic.
НА ЭТОМ АУКЦИОНЕ МЫ ПРЕДЛАГАЕМ ДВИГАТЕЛЬ MH 200 C, гидравлический двигатель легкой серии.
РАБОТА ДВИГАТЕЛЯ:
Героторные гидравлические двигатели преобразуют энергию жидкости под давлением в механическую энергию. Они производят высокий крутящий момент на низких скоростях. Механизм эффективен благодаря инновационной конструкции внутренних компонентов деталей двигателя. Имеется специализированная зубчатая передача, элементы которой выполняют функцию вытеснения жидкости, плотно отделяя пространство высокого давления от пространства низкого давления.
Количество энергии, вырабатываемой гидромотор зависит от двух факторов: p>
- величины давления, которую можно достичь в устройстве
- потока жидкости, задающей вращающийся вал, т.е. рабочая часть двигателя в движении
Предлагаемые нами героторные гидромоторы производства M+S Hydraulic надежно работают как при низких, средних, так и при высоких нагрузках.
Двигатели изготовлены из твердых материалов, а их конструкция позволяет легко устанавливать их в гидравлическую систему.
Гидравлические двигатели в стандартной комплектации фосфатированы марганцем.
Применение ДВИГАТЕЛЕЙ СЕРИИ MH:
<ул>Ниже приводится ОПИСАНИЕ ПАРАМЕТРОВ двигателя серии MH:
Макс. впитывающая способность см3/об [дюйм3/об] 502,4 [30,7]
Макс. скорость вращения [об/мин] 445
Макс. крутящий момент даНм [фунт-дюйм] тяга: 84 [7434] работа: 104 [9204]
Макс. мощность на выходном валу кВт [л.с.] 18,5 [24,8]
Макс. падение давления бар [PSI] постоянно: 175 [2540] работа: 200 [2900]
Макс. расход масла л/мин [GPM] 90 [23,78]
Мин. скорость вращения [об/мин] 5
Тип масла Минеральная основа – HLP(DIN 51524) или HM(ISO 6743/4)
Диапазон температур C [F] от -40 до 140 [от -40 до 284]
Оптимальная вязкость мм2/с [SUS] от 20 до 75 [от 98 до 347]
Фильтрация Код ISO 20/16 (минимальная рекомендуемая фильтрация жидкости 25 микрон)
Далее ОПИСАНИЕ ПАРАМЕТРОВ двигателя МН 200 С:
Поглощающая способность, см³/об. [дюйм³/об] 201,3 [12,3]
Макс. частота вращения [об/мин] непрерывно 370 оборотов* 445
Макс. крутящий момент даНм [фунт-дюйм] непрерывный 51 [45,10] работа* 58 [5130] пиковый** 64 [5064]
Выходная мощность кВт [л.с.] непрерывный 16 [21] работа * 18,5 [24,8]
Макс. падение давления бар [PSI] непрерывное 175 [2540] рабочее* 200 [2900] пиковое** 225 [3260]
Макс. расход л/мин [GPM] непрерывный 75 [19,81] работа* 90 [23,78]
Макс. входное давление бар [PSI] непрерывное 200 [2900] расход* 225 [3260] пиковое** 250 [3626]
Макс. начальное давление с валом без нагрузки [PSI] 5 [72]
Мин. Пусковой момент, даН·м [фунт-дюйм] при макс. потери давления нить. 39 [3450]
при макс. обработка потерь давления 45 [3980]
Мин. скорость***, [об/мин] 10
Вес, кг [фунт] 10,5 [23,2]
* Прерывистый режим работы (прерывистый), допустимые значения могут возникать максимум в течение 10% времени каждой минуты
**Пиковая нагрузка (пиковые) допустимых значений может возникать максимум в течение 1% времени каждой минуты
*** Для скоростей ниже указанных, рекомендуется обратиться к нашим специалистам.
ПРИМЕЧАНИЯ ПО ИСПОЛЬЗОВАНИЮ ДВИГАТЕЛЕЙ СЕРИИ MH:
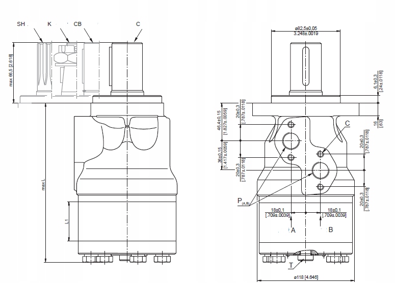
<ул>Рядом приведен схематический рисунок двигателя MH.
C: глубина 4xM8–13 мм [0,51 дюйма]
P (A, B) : 2xG1/2 или 2xM22x1,5–15 мм [0,59 дюйма] глубиной
T: G1/4 или M14x1,5–12 мм [0,47 дюйма] глубиной (с колпачком)
Кроме того, существует способ крепления двигателя МГ. Двигатель крепится фланцем (фланцем) на четырех винтах, овальной формы, стандартной формы.
Рядом с ним показаны универсальные характеристики двигателя MH 200.
Это график, показывающий зависимость между крутящим моментом и частотой вращения, с кривыми постоянного давления, поглощение, эффективность и мощность.
Рабочие диаграммы показывают среднюю производительность случайно выбранных двигателей при давлении 5–10 бар [72,5–145 PSI] и вязкости 32 мм²/с [150 SUS] при 50°C [122 F].
Тип вала двигателя MH 200 C:
цилиндрический ø32, призматическая шпонка A10x8x45 DIN 6885
Макс. мама. крутящий момент 77 даНм [6815 фунт-дюйм]
Двигатели с портами, отличными от дюймовых, доступны только по запросу. У нас на складе есть двигатели с дюймовыми соединениями.
Мы предоставляем экспертные знания в выборе двигателя, подходящего для ваших нужд.
ДОБРО ПОЖАЛОВАТЬ, ДОСТУПНО ДЛЯ ПОКУПКИ!
