Гидравлический двигатель M+S RL 250 C RL250C
- Время доставки: 7-10 дней
- Состояние товара: новый
- Доступное количество: 2
Приобретая «Гидравлический двигатель M+S RL 250 C RL250C» данный товар из каталога «Гидравлические двигатели» вы можете быть уверены, что после оформления заказа, доставки в Украину, вы получите именно то, что заказывали, в оговоренные сроки и европейского качества.
МЫ ПРИГЛАШАЕМ ВАС ПРИОБРЕСТИ ГЕРОТОРНЫЕ МОТОРЫ ОТ M+S Hydraulic.
НА ЭТОМ АУКЦИОНЕ МЫ ПРЕДЛАГАЕМ ДВИГАТЕЛЬ RL 250 C, гидравлический двигатель легкой серии.
РАБОТА ДВИГАТЕЛЯ:
Героторные гидравлические двигатели преобразуют энергию жидкостей под давлением. в механическую энергию. Они получают высокий крутящий момент на низких скоростях. Механизм эффективен благодаря инновационной конструкции внутренних компонентов деталей двигателя. Имеется специализированная зубчатая передача, элементы которой выполняют функцию вытеснения жидкости, плотно отделяя пространство высокого давления от пространства низкого давления.
Количество энергии, вырабатываемой гидромотор зависит от двух факторов: p>
- величины давления, которую можно достичь в устройстве
- потока жидкости, задающей вращающийся вал, т.е. рабочая часть двигателя, находящаяся в движении
Гидромоторы Предлагаемые нами героторные двигатели производства M+S Hydraulic демонстрируют надежную работу как при низких, средних, так и при высоких нагрузках.
Двигатели изготовлены из прочных материалов, а их конструкция позволяет легко устанавливать их в гидравлические системы. система .
Гидравлические двигатели в стандартной комплектации фосфатированы марганцем.
Применение механизмов RL:
<ул>Ниже приводится ОПИСАНИЕ ПАРАМЕТРОВ двигателя серии RL:
Макс. Впитывающая способность см3/об [дюйм3/об] 397 [24,4]
Макс. Скорость вращения [об/мин] 970
Макс. Крутящий момент даНм [фунт-дюйм] стр.: 61 [5400] работа: 69 [6100]
Макс. Мощность на выходном валу кВт [л.с.] 16 [21,5]
Макс. Падение давления бар [PSI] постоянно: 175 [2540] работа: 200 [2900]
Макс. Расход масла л/мин [GPM] 75 [20]
Мин. Скорость вращения [об/мин] 10
Допустимая нагрузка даН [фунты] Па =500 [1124]
Тип масла Минеральная основа – HLP(DIN 51524) или HM(ISO 6743/4)
Диапазон температур C [F] от -40 до 140 [от -40 до 284]
Оптимальная вязкость мм2/с [SUS] от 20 до 75 [от 98 до 347]
Фильтрация Код ISO 20/16 (минимальная рекомендуемая фильтрация жидкости 25 микрон)
Далее ОПИСАНИЕ ПАРАМЕТРОВ двигателя RL 250 C:
Всасывающая способность, см³/об. [дюйм³/об] 250,1[15,26]
Макс. частота вращения [об/мин] непрерывно 240 оборотов* 300
Макс. крутящий момент даНм [фунт-дюйм] непрерывный 54 [4780] работа* 61 [5400] пиковый** 71 [6280]
Выходная мощность кВт [л.с.] непрерывный 10 [13,4] работа* 12 [16,1]
Макс. падение давления бар [PSI] непрерывное 175 [2540] перерывы* 200 [2900] пиковое** 225 [3260]
Макс. Расход л/мин [GPM] непрерывный 60 [16] рабочий* 75 [20]
Макс. пусковое давление, бар [PSI] непрерывное 175 [2540] рабочее* 200 [2900] пиковое** 225 [3260]
Макс. обратное давление без перепускной линии или максимальное обратное давление в дренажной линии, бар [PSI]
непрерывное 0–100 об/мин 100 [1450]
непрерывное 100–300 об/мин 50 [725 ]
непрерывная 300-600 об/мин 25 [365]
непрерывная >600 об/мин 15 [220]
работа* 0-макс. 100 об/мин [1450]
Макс. обратное давление с линией перелива, бар [PSI] непрерывное 175 [2540] рабочее* 200 [2900] пиковое** 225 [3260]
Пусковое давление без нагруженного вала бар [PSI] 5 [73]
Мин. пусковой момент даН.м [фунт-дюйм] 45 [3983]
Мин. скорость***, [об/мин] 10
Вес, кг [фунт] 9,3 [20,5]
* Прерывистый режим работы (прерывистый), допустимые значения могут возникать максимум в течение 10% времени каждой минуты
**Пиковая нагрузка (пиковые) допустимых значений может возникать максимум в течение 1% времени каждой минуты
*** Для скоростей ниже указанных, рекомендуется обратиться к нашим специалистам.
ПРИМЕЧАНИЯ ПО ИСПОЛЬЗОВАНИЮ ДВИГАТЕЛЕЙ СЕРИИ RL:
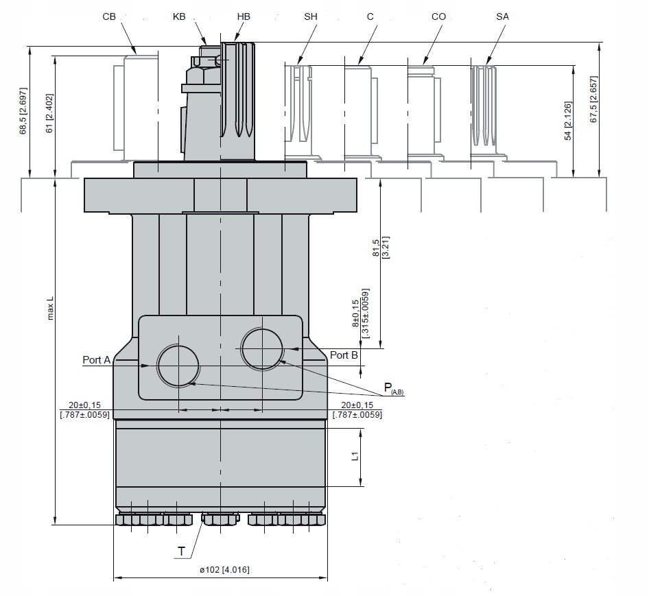
<ул>Ранее приведен графический чертеж двигателя RL.
P(A,B): 2xG1/2 или 2xM22x1,5 — глубина 15 мм [0,59 дюйма].
p>T: G1/4 или M14x1,5 — глубина 12 мм [0,47 дюйма]
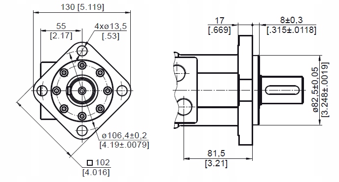
Кроме того, существует способ крепления двигателя РЛ. Двигатель крепится фланцем (фланцем) на четырех винтах, квадратного сечения, стандартной формы.
Двигатели с портами, отличными от дюймовых, доступны только по запросу. У нас на складе имеются двигатели с дюймовыми соединениями.
Мы предоставляем экспертные знания в выборе двигателя, подходящего для ваших нужд.
ДОБРО ПОЖАЛОВАТЬ, ДОСТУПНО ДЛЯ ПОКУПКИ!
