ГИДРАВЛИЧЕСКИЙ ДВИГАТЕЛЬ SMS 125 см3 УСИЛЕННЫЙ ГИДРОЛИДЕР ВОМ 15,5 кВт
- Время доставки: 7-10 дней
- Состояние товара: новый
- Доступное количество: 1
Оплачивая «SILNIK HYDRAULICZNY SMS 125cm3 WZMOCNIONY 15,5kW WOM HYDROLIDER» данный товар из каталога «Гидравлическая система» вы можете быть уверены, что после оформления заказа, доставки в Украину, вы получите именно то, что заказывали, в оговоренные сроки и европейского качества.
ХАРАКТЕРИСТИКИ И ПРЕИМУЩЕСТВА ДВИГАТЕЛЕЙ SMS ПРОИЗВОДСТВА HYDROLIDER:
Конструкция двигателей SMS основана на системе GEROLLER, которая предполагает использование усиленных роликов. подшипники внутри. Ролики обеспечивают высочайшую устойчивость к перегрузкам и длительный срок службы двигателя. Роликовые двигатели рекомендуются для систем, работающих в тяжелых условиях, при длительной бесперебойной работе в сельском хозяйстве и промышленности.
ВНИМАНИЕ! Самые дешевые двигатели, предлагаемые на рынке, не являются GEROLLER. b>, не имеют роликоподшипников, только жесткие втулки.
- роликоподшипники вместо пластиковых вставок
- возможность последовательного и параллельного соединения
- высокий крутящий момент запуск и плавная работа сразу после запуска
- высокая устойчивость к осевым и радиальным нагрузкам
- простой монтаж
- низкий уровень шума
- длительный срок службы , даже в условиях интенсивного использования.
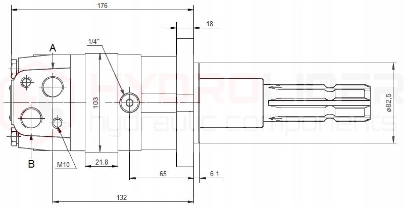
ГИДРАВЛИЧЕСКИЙ ДВИГАТЕЛЬ SMS 125-ВОМ С МОНТАЖНОЙ ПЛАСТИНОЙ И КРЫШКОЙ
ПОГЛОЩЕНИЕ: 125 см3/об; ВАЛ: ВОМ 1,3/8 ; СКОРОСТЬ: 600 об/мин
Производство:
Оригинальный продукт марки Hydrolider, условное обозначение: 1.37.20.126.1
Применение:
Широко используется в гидравлических системах в сельском хозяйстве, садоводстве, лесном хозяйстве, строительстве и промышленности в целом.
Рекомендации по применению:
- обертки, кормоуборочные комбайны, разбрасыватели
- Подметальные машины, разбрасыватели песка, снегоочистители
- Триммеры для моркови, свеклы, лука и др.
- Очистители листьев и ветвей
- Конвейерные приводы.
- Измельчители и измельчители веток.
- Лебедки для леса и автомобильные лебедки.
- Установки для садового бурения и буровые установки. дыры в земле
Технические данные:
- Направление вращения: двустороннее
- Внутренняя резьба в корпусе: 1/2"
- Порты: боковое подключение
- Материал корпуса: чугун
Максимальные параметры в непрерывном режиме работы:
- Максимальный расход: 75 л/мин
- Максимальная скорость вращения: 600 об/мин
- Максимальное давление: 17 МПа (170 бар)
- Максимальная мощность: 15,5 кВт
- Максимальная мощность: 15,5 кВт
- li>
- Максимальный крутящий момент: 31 даНм (310 Нм)
Максимальные параметры в мгновенном режиме работы: макс. 6 сек/мин:
- Максимальный расход: 95 л/мин
- Максимальная скорость вращения: 760 об/мин
- Максимальное давление: 28 МПа (280 бар)
- Максимальная мощность: 25,75 кВт
- Максимальный крутящий момент: 51 даНм (510 Нм)
Типы масел, рекомендуемые AGRICOLA:
- Редкое, высококачественное масло: LOTOS AGROL BOXOL 26
- Высококачественное масло средней густоты: AGRO OIL L-HL 32
Рекомендуемый диапазон температур масла:
- Допустимая температура окружающей среды: от -40°C до +80°C
- Допустимая температура масла: от -15°C до +80°C
