Гидравлический регулятор потока клапана разделитель AL-FCV 3/4 "115L/мин.
- Время доставки: 7-10 дней
- Состояние товара: новый
- Доступное количество: 266
Просматривая «Гидравлический регулятор потока клапана разделитель AL-FCV 3/4 "115L/мин.» данный товар из каталога «Гидравлическая система», вы можете получить дополнительную скидку 4%, если произведете 100% предоплату. Размер скидки вы можете увидеть сразу при оформлении заказа на сайте. Внимание!!! Скидка распространяется только при заказе через сайт.
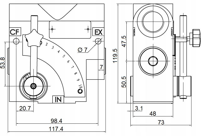
Гидравлический клапан Район потока
регулятор потока 115L/мин со шкалой
Производство:
Оригинальный продукт бренда гидролидера, символ: 1.35.10.116
Применение:
Принцип действия: Регулятор отделяет основной поток масла от насоса на два независимых потока, которые могут питать две независимые гидравлические системы. Это позволяет установить определенный поток на первом основном приемнике, избыток масла выбрасывается во второй приемник. Когда насос изменяется, основной приемник всегда получает одинаковое масло, поток диапазон только на втором приемнике. Он отлично работает в тракторах и других машинах, где один насос питается рулевым управлением (Orbitrol) и основной сантехникой (передний погрузчик). Затем устанавливается постоянный поток на орбитроле, остальная часть масла присоединятся к гидравлике в погрузке. Количество масла, введенного в погрузчик, зависит от производительности насоса в данный момент. Количество нефти, вводимого на орбитрол, всегда является постоянным, что обеспечивает плавное и эффективное управление машиной.
Соединение и регулировка:
Регулировка клапана выполняется с использованием рычага, возможность защитить настройки с помощью ручки. Он имеет масштаб благодаря, к которому мы можем контролировать настройки.
Подключитесь к линии питания и CF к приемнику приоритета или к линии гидравлической системы, где требуется регулирование потока. Подключите EX ко второму приемнику.
Компенсация давления:
Регулятор имеет компенсацию, т. Е. За позади клапана нет падения давления масла. Благодаря этому, после регулировки двигатель сохраняет почти исходный крутящий момент. Обычные удушающие клапаны В сотрудничестве с двигателями, они нагревают масло, они также не компенсируют, что при регулировании скорости двигатель также теряет мощность.
Примеры использования регулятора в сантехнике в тракторе (фото):
Технические данные:
- Максимальная абсорбированность: 115 л/мин
- Диапазон регуляции потока на приоритетном канале: 0,5-100L/мин
- Количество гидравлических дыр в теле: 3
- .
- Допустимое максимальное давление: 210 бар
- Вес: 3,6 кг
- Допустимая температура окружающей среды: -40 C до +60 C
- Допустимое масло. Гидравлическое масло на основе минерального масла
