Гидравлический набор KIPRA Tiping 4,1M 1250 для трех страниц +монтаж
- Время доставки: 7-10 дней
- Состояние товара: новый
- Доступное количество: 49
Оплачивая «Гидравлический набор KIPRA Tiping 4,1M 1250 для трех страниц +монтаж» данное изделие из «Гидравлическая система» вы можете быть уверены, что после оформления заказа, доставки в Украину, вы получите именно то, что заказывали, в оговоренные сроки и европейского качества.
готовый гидравлический набор с набором совокупного насоса гидравлического цилиндра с шагом 1250 мм, колыбелью и крепления h1> код вырезанной мышцы: [7261] h1>
Набор отлично работает в зданиях с поставкой, грузовиком, лавентом и умирает. Композиция набора включает в себя: h2>
- Гидравлический агрегат, цилиндрический насос 12 В 2,0 кВт, бак 11 л, дистанционное управление. [0274]
- Гидравлический цилиндр со слайдом 1250 мм с емкостью до 12 тонн. 6 градусов. [0009]
- Гидравлический шланг, сечение змеи, адаптированное к правильной работе набора. [1877]
- m16 [1936]
- Рубство M16 - M22 [1382]
- Nypel G3/8 " - M22 [1409] [0106]
Полный набор для работы
гидросвязанный гидравлический привод h2>
Благодаря своей структуре в виде 6 раскопок, привод идеально подходит для транспортных средств с небольшим нижним разрешением транспортного средства, трейлера или высокопоставленной приводной набережной.
Цилиндр установлен в прицепах, грузовиках и специализированных транспортных средствах. Благодаря своей конструкции, используемой в прицепах с переплетенной на заднюю часть
, можно купить cradle , что дает нам возможность чаевого на 3 страницах.
Укрепленная версия Максимальная подъемная емкость 12 тонн. h2>
Слово о телескопах h1>
телескопические цилиндры состоят из нескольких последовательно расширяющихся сегментов - хромированных цилиндрических рукавов. это позволяет вам достичь большого слайда привода по сравнению с общей длиной после складывания.
Телескопы являются приводами Одностороннее действие . Продление начинается, принося гидравлическое масло под давлением. Возвращение цилиндра вызвано функцией Manifold , которая высвобождает давление от системы - осаждение является гравитационным, чаще всего под влиянием веса нагрузочной коробки.
Чтобы предотвратить повреждение защиты сейфа, вызванное чрезмерным давлением в максимальном пощечке привода, используйте защиту (веревка, гидравлический электрический).
скважинный привод, расположенный в середине здания, обеспечивает угол наклона нагрузочной коробки между 40 и 45 градусов.
В зависимости от типа транспортируемых товаров, можно выбрать этот угол - таблица ниже может быть полезна:
Таблица выбора телескопического цилиндра
(таблица прыжков, необходимая для наклона трейлера к желаемому углу ° )
dp - расстояние между монтированием цилиндра и трейлером в [мм] (dp = 1 / 2 s ) tilt
c - Соединение привода в мм
s = dp*2
Техническая спецификация:
- шесть -скорость,
- Длина привода в состоянии покоя.
Максимальное рабочее давление: 160BAR
Начальное давление: 0,5 МПа
Распространение/Скорость складывания поршня: 0,5 м/с
+60 ℃
Дополнительная температура масла -15 до +80 ℃
pibebe -in -siped wipe -in -siped wipe -in -siped:
поршневой минерал
усиленная колыбель, крепление привода. h1>
Колыбель выполняется прочно, усиленные сеансовые гнезда, защита привода, прикрученного к винтам Аллена.
Благодаря использованию крепления с приводом, вы можете получить трехсторонний трейлер. Технический:
Вес: 8,5 кг,
Внутренняя ширина: 230 мм х 170 мм.
Гидравлический заполнитель. h1>
[0274] b> p> источник питания: 12 В. 2,0 кВт h1>
Агрегат включает в себя: насос, электродвигатель, соединительная плата, резервуар и управление удаленным контролем. Крепления.
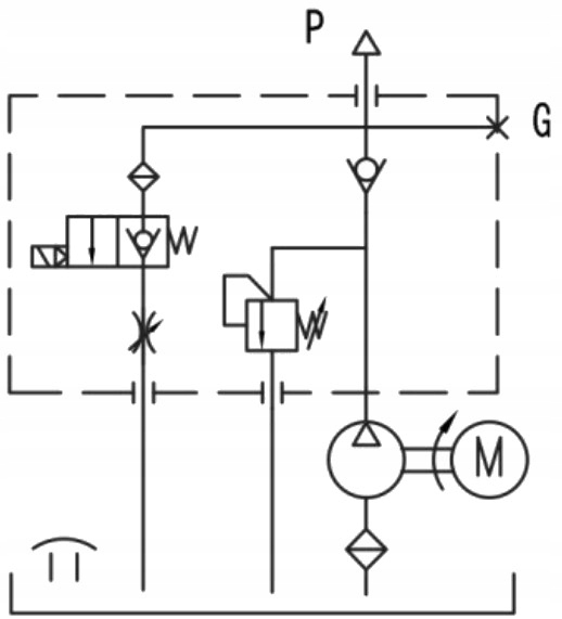
Схема соединения застряла на каждом заполнителе.
Агрегат полностью готов к работе, просто подключите кабели и залейте масло.
Гидравлический заполнитель отлично работает на машинах и электрически питании.
может использоваться в сельском хозяйстве или строительных слайдах с помощью гравитационных сил и поднятого веса.
Агрегат полностью готов к работе, просто подключите кабели и залейте масло.
Техническая спецификация:
- Мощность двигателя: 2,0 кВт
- Электрическое напряжение: 12 В
- емкость нефтяного бака: 11 l
- Максимальное рабочее давление: 180 батон , в этом наборе 7l/min до 12L/min
- Внутреннее соединение потока: 3/8 "
- Плоский клапан (безопасность):
dimensions:
Дистанционное управление с 2 кнопками
Сплошная конструкция
Это выделенный пульт дистанционного управления с двумя кнопками , используемыми в основном в гидравлических агрегатах, приведенных в действие напряжением 12V/24V.
, оснащенное закрепляющим карманом, который можно прикрепить, если необходимо, на двух отверстиях диаметром 5 мм.
На задней части пульта дистанционного управления есть также магниты , благодаря которому пульт дистанционного управления может быть прикреплен к металлическим элементам.
Кроме того, пульт дистанционного управления будет найден в удаленной пинове.
Все элементы были сделаны только из прочных, высококачественных материалов.
Агрегат включает в себя:
- Насос
- Электродвигатель
- Соединительная пластина
- Tank
- Управление пультом дистанционного управления
Агрегат дополнительно имеет пластиковую крышку двигателя и установку для крепления.
<Каждый заполнитель застрял на диаграмме гидравлической системы. Рекомендуется непрерывная работа не более 3 минут, перезагружая после 5 минут отдыха.Цвет пилота зависит от текущей доставки. h1>
Гидравлический кабель Zakuzy с Nyplles
Тип: AA 13/2/1500/1/2/2-1/2
Кабель, вооруженный двумя оплетками, является гибким и устойчивым к погодным условиям. Гидравлически питается. Их можно использовать в сельском хозяйстве, саду, лесном хозяйстве или строительстве. Они используются для сочетания отдельных компонентов гидравлических систем, минаторов, коллекторов, танков или двигателей.
Благодаря универсальности, его можно использовать в любой системе с максимальным давлением масла 275 бар и потоками до 80 л/мин. Предназначен для работы внутри и снаружи.
Техническая спецификация:
Тип на колено: aa (на двух сторонах простые гайки с внутренней нитью)
- Внутренние нити: g1/2 "
- Внутренний диаметр полета: dn13 = 13 мм
(+/- 0,3 мм) - Количество оплеток: 2
- Длина кабеля с зарядами: 1500 мм
- Максимальное давление: 275 Bar
- .
Змея Закути и готова к сборке
крепление привода Fi 40, состоящее из двух элементов.
[0106]
крепко выполненная крепление.
Применение для монтажных цилиндров или колыбели к раме автомобильного прицепа с винтами или может быть принято. ползание.
Техническая спецификация:
- Ширина отверстия 40 мм,
- Диаметр монтажных отверстий 14 мм,
застежка состоит из двух элементов.
Legend of Markings:
- + источник питания (положительный потенциал), подключенная непосредственно к батарее
- - источник питания (отрицательный потенциал), подключенный непосредственно к аккумулятору A - Скорость соединения (G3/8
-
- c - регулировка давления масла
