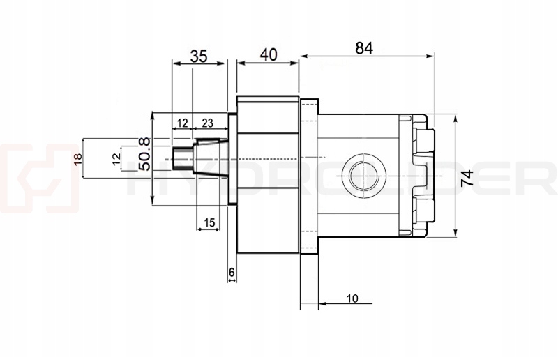
ГИДРАВЛИЧЕСКИЙ НАСОС ПРАВЫЙ GR1 7,60см3 11,40л + КОНИЧЕСКИЙ ПОДШИПНИК ВАЛА
- Время доставки: 7-10 дней
- Состояние товара: новый
- Доступное количество: 128
Оплачивая «ГИДРАВЛИЧЕСКИЙ НАСОС ПРАВЫЙ GR1 7,60см3 11,40л + КОНИЧЕСКИЙ ПОДШИПНИК ВАЛА» данный товар из каталога «Гидравлические насосы», вы можете получить дополнительную скидку 4%, если произведете 100% предоплату. Размер скидки вы можете увидеть сразу при оформлении заказа на сайте. Внимание!!! Скидка распространяется только при заказе через сайт.
ГИДРАВЛИЧЕСКИЙ НАСОС 1 ГРУППЫ, ШЕСТЕРЕННЫЙ 7,60 см3/об
В КОМПЛЕКТЕ ПОДШИПНИК, КОНИЧЕСКИЙ ВАЛ И МУФТА
Производство:
Оригинальный продукт марки Hydrolider, условное обозначение: 1.40.09.760.2
Применение:
Насос предназначен для работы в системах, где рабочей средой является гидравлическое масло. Применяется в мобильных системах, гидроусилителях рулевого управления и гидравлике тракторов, а также в стационарных гидросистемах по оригинальным проектам и других. Также рекомендуется для привода различных типов приводных ремней и конвейеров, а также барабанов в измельчителях и других конструкциях со склонностью к боковым нагрузкам на вал.
Адаптер несет подшипники и защищает вал насоса от боковых и эксцентрических напряжений, значительно продлевая срок его службы и защищая от протечек вала. Подшипник обеспечивает привод насоса посредством шкива и клинового или приводного ремня.
Технические данные:
- Производительность: 11,40 л/мин (при 1500 об/мин)
- Производительность: 26,60 л/мин (макс. об/мин)
- Геометрический объем: 7,60 см3/об
- Направление вращения: правое
- Диапазон вращения: 800–3500 (об/мин)
- Макс. крутящий момент. при 150 бар: 20,5 Нм
- Номинальное давление: 170 бар
- Максимальное давление: 220 бар
- Соединения: внутренняя резьба в корпусе 3/8"
Допустимая температура окружающей среды: от -40°C до +60°C
Допустимая температура масла: от -15°C до +80°C
Тип жидкости: гидравлическое масло на минеральной основе
