BM2 200см3 BMR OMR SMR гидромотор + ниппели
- Время доставки: 7-10 дней
- Состояние товара: новый
- Доступное количество: 28
Оплачивая «BM2 200см3 BMR OMR SMR гидромотор + ниппели» данный товар из каталога «Силовая гидравлика», вы можете получить дополнительную скидку 4%, если произведете 100% предоплату. Размер скидки вы можете увидеть сразу при оформлении заказа на сайте. Внимание!!! Скидка распространяется только при заказе через сайт.
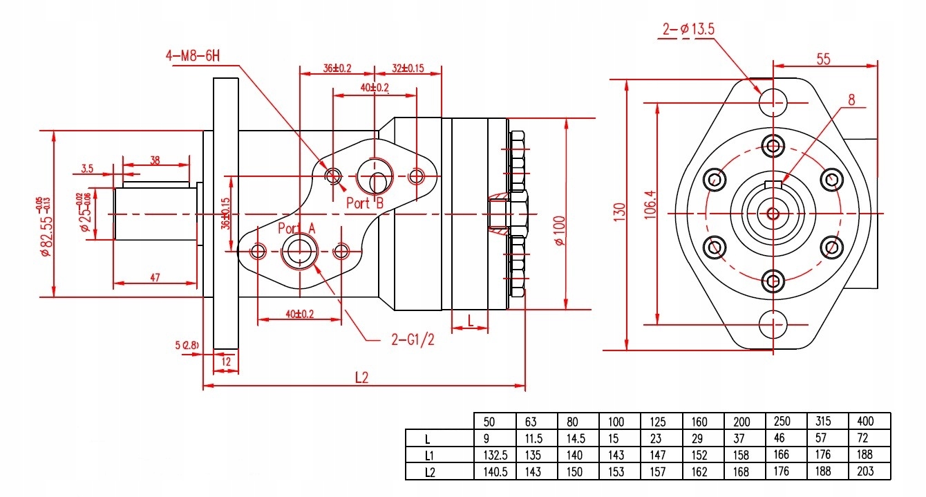
Надежный гидравлический двигатель BM2 200, вал 25 мм BMR OMR SMR в комплекте со специальными соединительными ниппелями.
Важнейшие характеристики двигателя:
Гидродвигатель орбитальный (героторный) Presko производительностью 200 см³/об, с соединениями G ½", SAE A.
Аквивалент OMR 200 BMR200 ALSG2 200
Эквивалент M+S MR 200 CB
Специальный набор соединительных ниппелей.
ОСНОВНЫЕ ДАННЫЕ
- Всасывающая способность: 200 см3/об
- Соединения: b> G ½" (согласно BSPP¹)
- Монтажный фланец: согласно стандарту SAE A
- Шейка гребного вала: C25
Параметры непрерывной работы:
- Максимальная частота вращения (непрерывная): 282 об/мин. /мин
- Максимальный крутящий момент (постоянный): 292 Нм
- Максимальный расход (постоянный): 60 л/мин
- Максимальный расход (постоянный): 60 л/мин
- li>
- Максимальная мощность мощность (длительная): 9,61 кВт
- Максимальное давление питания (длительное): 12 МПа
Временная работа параметры:
- Максимальная частота вращения (временно): 342 об/мин
- Максимальный крутящий момент (временно): б> 323 Нм
- Максимальный расход (мгновенный): 75 л/мин
- Максимальная выходная мощность (мгновенная): 15,45 кВт< /li>
- Максимальное давление подачи (мгновенное): 17,5 МПа
В комплект двигателя входят специальные соединительные ниппели, упрощающие его подключение к системе.
2 ниппеля x 1/2 дюйма — M22x1,5.
Ниппель имеет уплотнение со стороны резьбы 1/2 дюйма (для вкручивания в порт двигателя), что гарантирует герметичное соединение. p>
Тема М22х1,5 используется для подключения к разъему гидравлического шланга.
Диаметр вала: Ø25x40 мм
Прямой шлицевой вал: 8x7x32 мм
Резьба и вал: M8
Приложение:
Гидравлические двигатели PRESKO второй группы с двойными подшипниками применяются в сельскохозяйственных, лесохозяйственных и промышленных машинах, работающих в устройствах, требующих высочайшей плавности и надежности. Их конструкция хорошо работает в системах с высоким крутящим моментом, а используемые материалы гарантируют долгую и надежную работу.
Движок можно соединить последовательно для образования более крупных систем.
Двигатели Presko второй группы идеально подходят для:
<ул>Проверенная конструкция и качественные материалы, используемые при производстве двигателей, гарантируют стабильную и эффективную работу в течение очень длительного времени.
