Гідромотор M+S Hydraulic MH315CB
- Время доставки: 7-10 дней
- Состояние товара: новый
- Доступное количество: 2
Оплачивая «Гідромотор M+S Hydraulic MH315CB» данное изделие из «Гидравлические двигатели» вы можете быть уверены, что после оформления заказа, доставки в Украину, вы получите именно то, что заказывали, в оговоренные сроки и европейского качества.
ДОБРО ПОЖАЛОВАТЬ ПРИОБРЕСТИ ГЕРОТОРНЫЕ ДВИГАТЕЛИ ОТ M+S Hydraulic.
НА ЭТОМ АУКЦИОНЕ МЫ ПРЕДЛАГАЕМ ДВИГАТЕЛЬ MH 315 CB, гидравлический двигатель легкой серии.
РАБОТА ДВИГАТЕЛЯ:
Героторные гидромоторы преобразуют энергию жидкостей под давлением в механическую энергию. Они достигают высокого крутящего момента на низких скоростях. Механизм эффективен благодаря инновационной конструкции внутренних компонентов деталей двигателя. Имеется специализированная зубчатая передача, элементы которой выполняют функцию вытеснения жидкости, плотно отделяя пространство высокого давления от пространства низкого давления.
Количество энергии, вырабатываемой гидравлическим двигателем, зависит от двух факторов:
<ул>Предлагаемые нами героторные гидромоторы производства M+S Hydraulic демонстрируют надежную работу как при низких, средних, так и при высоких нагрузках.
Двигатели изготовлены из прочных материалов, а их конструкция позволяет легко устанавливать их в гидравлическую систему.
Гидравлические двигатели в стандартной комплектации фосфатированы марганцем.
Применение ДВИГАТЕЛЕЙ СЕРИИ MH:
<ул>Ниже приводится ОПИСАНИЕ ПАРАМЕТРОВ двигателя серии MH:
Макс. впитывающая способность см3/об [дюйм3/об] 502,4 [30,7]
Макс. скорость вращения [об/мин] 445
Макс. крутящий момент даНм [фунт-дюйм] тяга: 84 [7434] работа: 104 [9204]
Макс. мощность на выходном валу кВт [л.с.] 18,5 [24,8]
Макс. падение давления бар [PSI] постоянно: 175 [2540] работа: 200 [2900]
Макс. расход масла л/мин [GPM] 90 [23,78]
Мин. скорость вращения [об/мин] 5
Тип масла Минеральная основа – HLP(DIN 51524) или HM(ISO 6743/4)
Диапазон температур C [F] от -40 до 140 [от -40 до 284]
Оптимальная вязкость мм2/с [SUS] от 20 до 75 [от 98 до 347]
Фильтрация Код ISO 20/16 (минимальная рекомендуемая фильтрация жидкости 25 микрон)
Ниже приводится ОПИСАНИЕ ПАРАМЕТРОВ двигателя MH 315 CB:
Всасывающая способность, см³/об. [дюйм³/об] 314,9 [19,2]
Макс. скорость вращения [об/мин] непрерывная 235 работа* 285
Макс. крутящий момент даНм [фунт-дюйм] постоянный 74 [6548] работа* 82 [7257] пик** 98 [8673]
Выходная мощность кВт [л.с.] непрерывная 14 [18,7] интервал* 15,5 [20,7]
Макс. падение давления бар [PSI] постоянно 175 [2540] перерыв* 200 [2900] пиковое** 225 [3260]
Макс. расход л/мин [GPM] непрерывный 75 [19,81] интервал* 90 [23,78]
Макс. входное давление бар [PSI] постоянное 200 [2900] широковещательное* 225 [3260] пиковое** 250 [3626]
Макс. начальное давление с валом без нагрузки бар [PSI] 5 [72]
Мин. пусковой момент даНм [фунт-дюйм] при макс. потери давления нить. 66 [5840]
на макс. обработка потерь давления 73 [6460]
Мин. скорость***, [об/мин] 8
Вес, кг [фунты] 11,5 [25,4]
*Периодический режим работы (прерывистый режим работы), допустимые значения могут возникать максимум 10% каждую минуту
**Пиковая нагрузка (пиковые) допустимых значений может возникать максимум 1% времени каждую минуту
*** При скорости ниже заявленной рекомендуется обратиться к нашим специалистам.
ПРИМЕЧАНИЯ ПО ИСПОЛЬЗОВАНИЮ ДВИГАТЕЛЕЙ СЕРИИ MH:
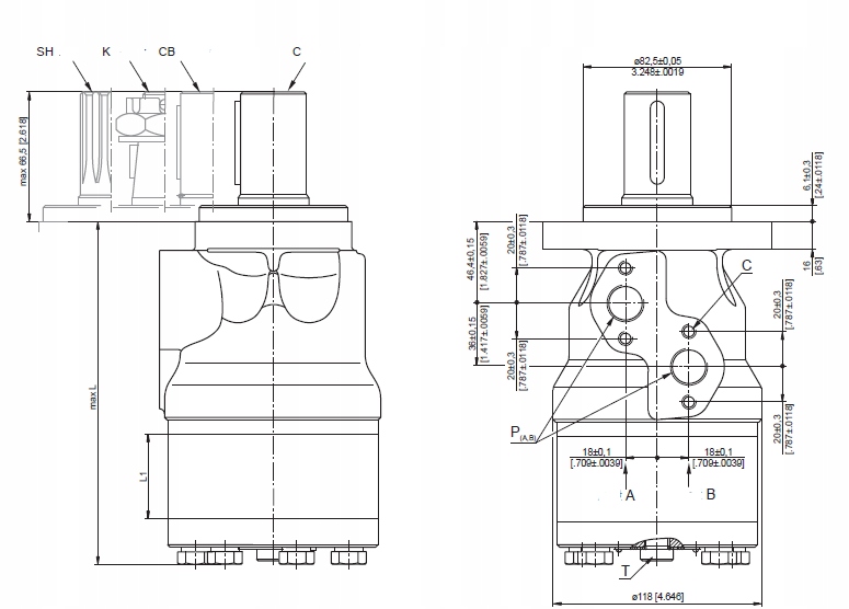
<ул>Рядом приведен схематический рисунок двигателя MH.
C: глубина 4xM8–13 мм [0,51 дюйма]
P (A, B) : 2xG1/2 или 2xM22x1,5–15 мм [0,59 дюйма] глубиной
T: G1/4 или M14x1,5–12 мм [0,47 дюйма] глубиной (с колпачком)
Кроме того, существует способ крепления двигателя МГ. Двигатель крепится фланцем (фланцем) на четырех винтах, овальной формы, стандартной формы.
Кроме того, имеется универсальная характеристика двигателя МН 315.
Это график, показывающий зависимость крутящего момента от скорости вращения, с кривыми постоянного давления, поглощения , эффективность и мощность.
Рабочие диаграммы показывают среднюю производительность случайно выбранных двигателей при давлении 5–10 бар [72,5–145 PSI] и вязкости 32 мм²/с [150 SUS] при 50°C [122 F].
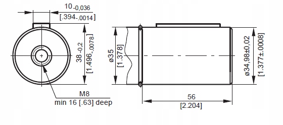
Тип вала для двигателя MH 315 CB:
цилиндрический ø35, призматическая шпонка A10x8x45 DIN 6885
Макс. мама. крутящий момент 95 даНм [8400 фунт-дюйм]
Двигатели с портами, отличными от дюймовых, доступны только по запросу. У нас на складе есть двигатели с дюймовыми соединениями.
Мы предоставляем экспертные знания в выборе двигателя, подходящего для ваших нужд.
ДОБРО ПОЖАЛОВАТЬ, ДОСТУПНО ДЛЯ ПОКУПКИ!
