GROHE RAPID SL ПРИХОВАНА СТІЛКА БІДЕ
Код: 12736225167
18287 грн
Цена указана с доставкой в Украину
Товар есть в наличии
КАК ЭКОНОМИТЬ НА ДОСТАВКЕ?
Заказывайте большое количество товаров у этого продавца
Информация
- Время доставки: 7-10 дней
- Состояние товара: новый
- Доступное количество: 1
Оплачивая «GROHE RAPID SL ПРИХОВАНА СТІЛКА БІДЕ», вы можете быть уверены, что данное изделие из каталога «Встраиваемые стеллажи» будет доставлено из Польши и проверено на целостность. В цене товара, указанной на сайте, учтена доставка из Польши. Внимание!!! Товары для Евросоюза, согласно законодательству стран Евросоюза, могут отличаться упаковкой или наполнением.
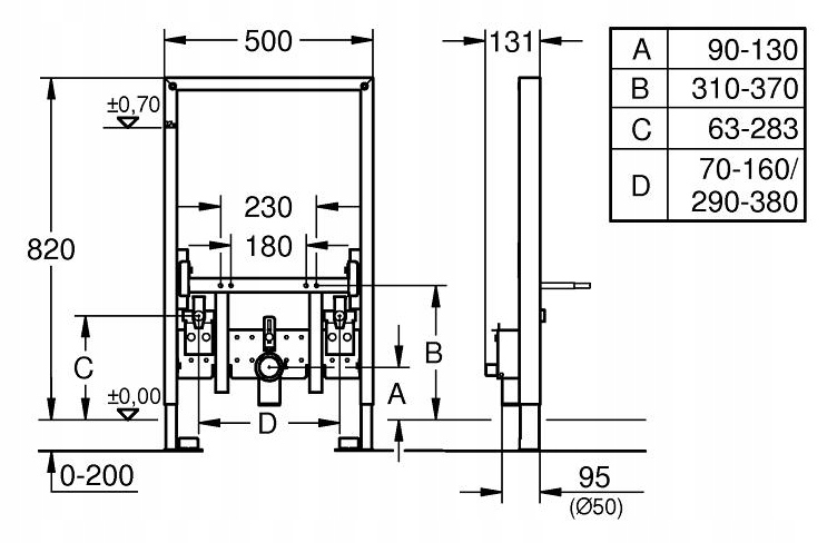
РАМКА БИДЕ ДЛЯ МОНТАЖА НА FLOW GROHE RAPID SL
Характеристики продукта
- Бренд: Grohe
- Серия: Rapid SL
- Каталоговый номер: 38543000
- Высота: 82 см.
- Тип: для биде.
- Корпус: легкий (для гипсокартона).
- EAN-код: 4005176291258.
