Резиновое уплотнение холодного хранения двери ворота тип о омега
- Время доставки: 7-10 дней
- Состояние товара: новый
- Доступное количество: 26
Приобретая «Резиновое уплотнение холодного хранения двери ворота тип о омега» данный товар из каталога «Кормовые линии, кормовые автоматы и принадлежности» вы можете быть уверены, что после оформления заказа, доставки в Украину, вы получите именно то, что заказывали, в оговоренные сроки и европейского качества.
"Тех-Рол" Тарновские Горы
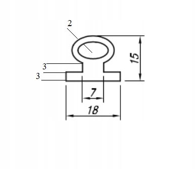
Резиновое уплотнение О-образного типа
Каталог номер TGP O 2617
1 шт. = 1 метр
1 штука = 1 метр при покупке более 1 штуки просьба указать в комментариях, должен ли приобретаемый товар быть цельным
Вставное резиновое уплотнение типа Ώ широко используется в основном в холодильных установках для дверей и люков, автомобильных дверей, гаражных ворот, крышек и т. д.
Каучук EPDM обладает очень хорошей устойчивостью к погодным условиям и химической стойкостью к кислотам. и щелочи.
Рабочая температура -40°С - +120°С временно до 140°С
По запросу возможно изготовление других размеров и форм по. рисунок клиента.
