Гидрированная Cetop 3 NG6 Ручной электрический ползунок 12 В 2 -положения
- Время доставки: 7-10 дней
- Состояние товара: новый
- Доступное количество: 269
Оплачивая «Гидрированная Cetop 3 NG6 Ручной электрический ползунок 12 В 2 -положения» данный товар из каталога «Гидравлические клапаны», вы можете получить дополнительную скидку 4%, если произведете 100% предоплату. Размер скидки вы можете увидеть сразу при оформлении заказа на сайте. Внимание!!! Скидка распространяется только при заказе через сайт.
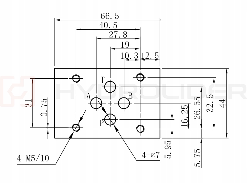
Cetop 3 ng6 Cetop Гидравлический коллектор h1> , ориентированный на руку 12 В 2-позиционный слайдер h2> h2>
h2>
mark: b> p>
широко используется в гидравлических системах в строительстве, сельском хозяйстве и промышленности. Slip -plate Slide Slide Marulds используются для управления направлением потока масла, результатом является конкретное движение или остановку приемника, например, цилиндр или гидравлический двигатель. Из -за гидравлической диаграммы, коллектор может использоваться в качестве стартовой секции (облегчение) при создании полного Cetop 3 NG6 Cetop.
Технические характеристики:
- Соединения портов в положении (0): P --- T --- A --- B
- Порты в положении (1): P 2 -позиция Тип HA
- Максимальный поток: 80 л/мин
- Допустимая температура окружающей среды: от -40 C до +60 C
- Допустимая температура масла: от -15 C до +80 C
- Рекомендуемое гидравлическое масло на основе минерального масла, например, HL 32 или HL 46
- Рекомендованное масло в 10 -15 li>
- .
