ЖИВЛЕННЯ ГІДР. 12 В 1,6 кВт 3,3 см3 ZM4 2EP ГІДРОЛІДЕР
- Время доставки: 7-10 дней
- Состояние товара: новый
- Доступное количество: 500
Покупая «ЖИВЛЕННЯ ГІДР. 12 В 1,6 кВт 3,3 см3 ZM4 2EP ГІДРОЛІДЕР» данный товар из каталога «Гидравлические агрегаты» вы можете быть уверены, что после оформления заказа, доставки в Украину, вы получите именно то, что заказывали, в оговоренные сроки и европейского качества.
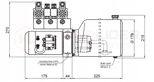
КОМПЛЕКТНЫЙ ГИДРАВЛИЧЕСКИЙ БЛОК 12В
Состав полного блока питания (генератора):
- гидравлический насос 3,3см3
- Электродвигатель 1,6 кВт, 12 В
- соединительная плата с перепускным клапаном
- два электромагнитных клапана для управления приводами двойного действия
- модуль свободного потока, т.н. плавающая секция
- бак металлический 4 литра
Производство:
Оригинальный продукт марки Hydrolider, условное обозначение: 1.12 .00.315 .1
Применение:
Обеспечивает управление двумя секциями, например, двумя приводами двойного действия. Кроме того, на одном из подключенных приводов можно включить модуль свободного потока, то есть плавающую секцию.
Он широко используется в гидравлических системах в сельском хозяйстве, садоводстве, лесном хозяйстве, строительстве и в широком понимании. промышленности.
В основном применяется в различных типах снегоочистителей и бульдозеров, а также в прицепах, самосвалах, прессах, подъемниках, погрузочных платформах, автоподъемниках, кранах, сельскохозяйственных и промышленных машинах.
Правила использования:
Агрегат укомплектован и готов к работе, достаточно подключить кабели и залить масло. Рекомендуется непрерывная работа катушек не более 3 минут, повторный запуск через 5 минут отдыха.
Технические данные:
- Мощность двигателя: 1,6 кВт
- Электрическое напряжение: 12 В
- Производительность насоса: 3,3 см3/оборот, в данном наборе 8,5 л/мин.
- Соединительные порты: внутренняя резьба BSP 3/8".
- Перепускной клапан (предохранительный): ДА
- li >
- Максимальное рабочее давление: 85 бар
- Объём масляного бака: 4л
Гидравлическая схема предлагаемого блока питания (фото):< /п>
Важно!
Наборы «Агрикола» разработаны таким образом, чтобы их можно было легко собрать самостоятельно. В целях сохранности товара при транспортировке и ограничений, вытекающих из правил курьерских компаний, комплект отправляется в раскрученном виде.
