ЖИВЛЕННЯ ГІДР. 24 В 2,2 кВт 3,3 см3 ZM12 ZS ГІДРОЛІДЕР
- Время доставки: 7-10 дней
- Состояние товара: новый
- Доступное количество: 100
Просматривая «ЖИВЛЕННЯ ГІДР. 24 В 2,2 кВт 3,3 см3 ZM12 ZS ГІДРОЛІДЕР» данный товар из каталога «Гидравлические агрегаты», вы можете получить дополнительную скидку 4%, если произведете 100% предоплату. Размер скидки вы можете увидеть сразу при оформлении заказа на сайте. Внимание!!! Скидка распространяется только при заказе через сайт.
КОМПЛЕКТНЫЙ ГИДРАВЛИЧЕСКИЙ БЛОК 24В
Состав полного блока питания (генератора):
- гидравлический насос 3,3см3
- электродвигатель 2,2кВт 24В
- соединительная пластина с перепускным клапаном
- бак металлический 12 литров
Производство:
Оригинальный продукт марки Hydrolider, условное обозначение: 1.12.10.030.5
Применение:
Широко применяется в гидравлические системы в сельском хозяйстве, садоводстве, лесном хозяйстве, строительстве и в широком понимании промышленности.
Возможность управления приводом одностороннего действия. Применяется в устройствах, где для подъема груза необходима гидравлическая сила, при этом груз опускается под действием силы тяжести и давления поднимаемого веса.
В основном применяется для подъема грузовых коробов различных типов. прицепов, самосвалов, прессов и подъемников, грузовых платформ, автоподъемников, кранов, сельскохозяйственных и промышленных машин.
Правила использования:
агрегат укомплектован и готов к работе, достаточно подключить кабели и залить масло. Рекомендуется непрерывная работа не более 3 минут, повторный запуск через 5 минут отдыха.
Технические данные:
- Мощность двигателя: 2,2 кВт
- Электрическое напряжение: 24 В
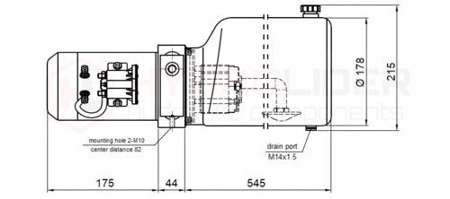
- Производительность насоса: 3,3 см3/оборот, в данном комплекте 9,2 л/мин.
- Присоединение: внутренняя резьба BSP 3/8".
- Перепускной клапан (предохранительный): ДА.
- Максимальный рабочий диапазон. давление: 120 бар
- Объём масляного бака: 12л
Гидравлическая схема предлагаемого блока питания (фото): p>
Важно!
Наборы «Агрикола» разработаны таким образом, чтобы их можно было легко собрать самостоятельно. В целях сохранности товара при транспортировке и ограничений, вытекающих из правил курьерских компаний, комплект отправляется в раскрученном виде.
