Каталогдеталеранар 82 A 82 SA 82 a
- Время доставки: 7-10 дней
- Состояние товара: новый
- Доступное количество: 5
Оплачивая «Каталогдеталеранар 82 A 82 SA 82 a», вы можете быть уверены, что данное изделие из каталога «Инструкции по эксплуатации» будет доставлено из Польши и проверено на целостность. В цене товара, указанной на сайте, учтена доставка из Польши. Внимание!!! Товары для Евросоюза, согласно законодательству стран Евросоюза, могут отличаться упаковкой или наполнением.
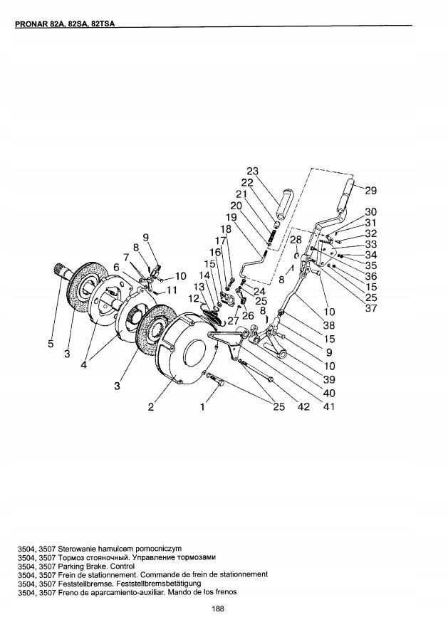
Объект моего сегодняшнего аукциона - каталог частей для тракторов
Sonar 82 A 82 SA 82 TSA
* Количество страниц 370
Каталог содержит подробные описания и рисунки
Каждая машина требует тщательной работы, осторожного и правильной операции. Экономия на главном ремонте;
- продление периода работы;
- экономия расходов на покупку новых машин;
- Обеспечение непрерывности работы
У меня также есть руководства пользователя для этих путарей
(см. Мои другие аукционы)
