КОЛЕКТОР SD8 7S J2P.DDDJ0P Z1,2,7 ГІДРОЛІДЕР
- Время доставки: 7-10 дней
- Состояние товара: новый
- Доступное количество: 500
Оплачивая «КОЛЕКТОР SD8 7S J2P.DDDJ0P Z1,2,7 ГІДРОЛІДЕР», вы можете быть уверены, что данное изделие из каталога «Разделители» будет доставлено из Польши и проверено на целостность. В цене товара, указанной на сайте, учтена доставка из Польши. Внимание!!! Товары для Евросоюза, согласно законодательству стран Евросоюза, могут отличаться упаковкой или наполнением.
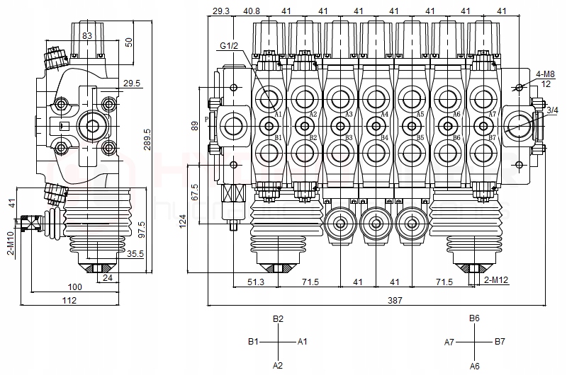
7-СЕКЦИОННЫЙ ГИДРАВЛИЧЕСКИЙ РАСПРЕДЕЛИТЕЛЬ
Производство:
Оригинальный продукт марки Hydrolider, условное обозначение: 1.10.56.072.3.1
Технические данные:
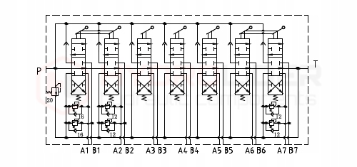
- Количество рабочих секций: 7
- Количество электрических кнопок в джойстиках: 2
- Максимальный расход масла: 90 л/мин.
- Установка главного предохранительного клапана: 20 МПа.
- Перегрузочные/ударные клапаны: 1-я, 2-я и 7-я секции.
- Внутренняя резьба подачи и секции. : BSP 1/2 "
- Внутренний возврат резьбы: BSP 3/4"
Применение:
- Рекомендуется для управления: лесозаготовительной машиной, лесозаготовительным прицепом, краном, сельскохозяйственной, строительной и садовой техникой.
- Применяется, в частности, в машинах производства Waryński, Hydro-Fast, More Maskiner, Palms, BMF, Kellfri
Конструкция:
Распределитель спроектирован по модульной системе, в которой каждая секция является отдельным элементом. Такое решение обеспечивает индивидуальное управление каждой секцией, ее настройку, замену, регенерацию или ремонт без необходимости замены всего распределителя.
Левый рычаг-джойстик без кнопок. Правый рычаг джойстика с двумя кнопками расположен в верхней части рукоятки.
Работа и принцип действия:
Распределитель с разомкнутой цепью, при этом мы не контролируем ни одну секцию, масло свободно поступает через распределитель в обратный канал (Т).
Все рычаги и джойстики установлены на пружине и автоматически возвращаются в среднее положение.
>Все секции приспособлены для управления электроприводами двусторонними или односторонними и двигателями в одном или двух направлениях.
Секции 1, 2 и 7 защищены перегрузочными клапанами, предназначенными для управления стрелами кранов. , ротаторы, грейферы и другие устройства, где требуется контроль давления и веса груза.
