РОЛИКИ РОЛИКИ РОЛИКИ ДЛЯ ОТКАТНЫХ ВОРОТ КОМПЛЕКТ РАЗДВИЖНЫХ ВОРОТ 80x80X5
- Время доставки: 7-10 дней
- Состояние товара: новый
- Доступное количество: 1
Оплачивая «WÓZEK WÓZKI ROLKI ROLKA DO BRAMY PRZESUWNEJ BRAM PRZESUWNYCH ZESTAW 80x80X5», вы можете быть уверены, что данное изделие из каталога «Тележки и ролики» будет доставлено из Польши и проверено на целостность. В цене товара, указанной на сайте, учтена доставка из Польши. Внимание!!! Товары для Евросоюза, согласно законодательству стран Евросоюза, могут отличаться упаковкой или наполнением.
РОЛИКИ РОЛИКИ РОЛИКИ ДЛЯ ОТКАТНЫХ ВОРОТ НАБОР ОТДВИЖНЫХ ВОРОТ 80x80X5
Комплект тележек с аксессуарами для рельса 80x80x5
В состав комплекта входят:
✅ 2 8-роликовые тележки, регулируемые, самовыравнивающиеся, размеры основания 180x120, полиамидные ролики
✅ направляющий ролик с колпачком
✅ розетка/нижняя ручка с ролики
Каждая стальная деталь комплекта полностью оцинкована, благодаря чему изделие устойчиво к погодным условиям, таким как перепады температур, дождь или снег.
Уважаемый покупатель!
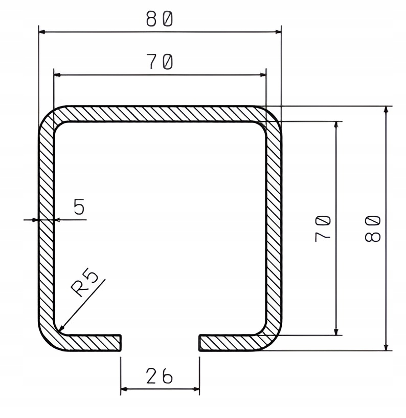
Сообщаем Вам, что для правильного выбора тележек для рельса, пожалуйста, уточните, какой рельс используется в Ваших воротах.
Чтобы сделать правильный выбор, проверьте внешние размеры рельса, наиболее часто используемый профиль "80х80" имеет размеры 80х80х5, где 5 - толщина стен.
представленный комплект идеально подходит для такого профиля рейки или ворот.
⭐️Техническое описание тележки:
- размеры основания 180х120
- регулировка по высоте с помощью 4 винтов
- регулировка по горизонтали через продольные отверстия
- ролики установлены на подшипниках, меньше шума при работе
- тележки оснащены 6204Z подшипниками ERI-3
- грузоподъемность до 700 кг
Горизонтальная регулировка для безаварийной работы ворот
Благодаря инновационному решению дополнительной горизонтальной регулировки наши тележки становятся еще более точными.
Правильно отрегулированные тележки гарантируют длительную и надежную работу ворот.
Оптимальная регулировка – это ключ к удовлетворению, гарантирующий не только эффективность, но и долгосрочное удовлетворение от использования.
⭐️ Ролик с колпачком
Ролик предназначен для рельса 80х80
Колпачок защищает центр рельса от загрязнения
⭐️ Розетка рампы/нижняя ручка
Нижняя ручка используется для разгрузки тележек при закрытых воротах, а также стабилизирует ворота в вертикальном положении при неблагоприятных погодных условиях.
⭐️ Часто задаваемые вопросы (FAQ)
Тележки рассчитаны на рельс сечением 80х80х5 мм. Перед покупкой убедитесь, что ваши ворота адаптированы к этому стандарту.
Каждая тележка выдерживает ворота с максимальной нагрузкой 700 кг.
Да, все элементы комплекта оцинкованы, что защищает их от коррозии и позволяет длительно эксплуатировать в сложных условиях. погодные условия.
Да, в комплект входят: две тележки, ручка пандуса, ролик пандуса.
Да, тележки оснащены механизмом регулировки высоты, позволяющим точно подогнать под конструкцию ворот.
⭐️ Если вы ищете аксессуары для ворот и заборов, вы попали по адресу :)
Ознакомьтесь с нашим полным предложением и вы обязательно найдете то, что ищете.
Всегда по хорошей цене и, прежде всего, высочайшего качества
