КОМПЛЕКТ 2 SEC TURA КАБЕЛЬ ДЖОЙСТИКА 40L
- Время доставки: 7-10 дней
- Состояние товара: новый
- Доступное количество: 50
Оплачивая «КОМПЛЕКТ 2 SEC TURA КАБЕЛЬ ДЖОЙСТИКА 40L» данный товар из каталога «Разделители», вы можете получить дополнительную скидку 4%, если произведете 100% предоплату. Размер скидки вы можете увидеть сразу при оформлении заказа на сайте. Внимание!!! Скидка распространяется только при заказе через сайт.
2-секционный гидрокомплект 40л/мин для TURA
SKRAW MET CODE: [8005]
Производитель: SM-G (SKRAW) MET GROUP)
В комплект входит:
- Джойстик для мячей без кнопки [0170]
- шнур 2x 2 м [0203]
- 2-секционный гидравлический коллектор 40 л/мин [1449]
Комплект идеально подходит для машины и устройства с гидравлическим приводом. Гарантирует эффективное управление двумя секциями в фронтальных погрузчиках TUR (поднятие рамы и наклон ковша).
Комплект имеет множество преимуществ, которые влияют на динамическое, быстрое и безопасное управление машиной.
Он может использоваться в сельском хозяйстве, садах, лесном хозяйстве или строительстве. Он приспособлен для работы в: сельскохозяйственных машинах, тракторах, опрыскивателях, погрузчиках, циклопах, погрузчиках HDS, строительных машинах, погрузчиках, экскаваторах, подметальных машинах, промышленных машинах и других.
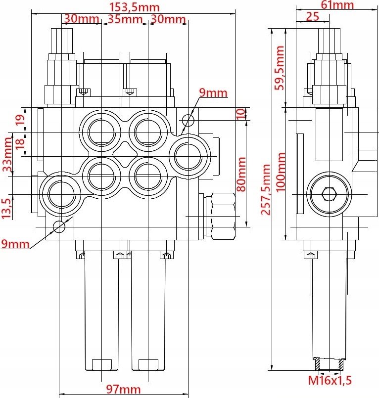
2-СЕКЦИОННЫЙ ГИДРАВЛИЧЕСКИЙ КОЛЛЕКТОР 40Л ДЛЯ ЛИНИИ
Производитель: SM-G (SKRAW MET GROUP)
Высококачественный моноблочный коллектор отличается компактной конструкцией, стабильной работой и высокой универсальностью.
Позволяет управлять двумя двойного действия или (после заглушки одного из портов) ) приводы одностороннего действия.
Возможно последовательное подключение к существующей системе (необходим напорный рукав).
Управление из кабины с помощью тросов и джойстика.
Применение: h2>
Коллектор идеально подходит для машин и устройств с гидравлическим приводом.
Он может использоваться в сельском хозяйстве, садах, лесном хозяйстве или строительстве. .
Универсальный коллектор используется в различных типах машин, таких как:
- Циклоп
- Турий
- Погрузчики
- Плуги
- Вилочные погрузчики и многое другое
Трехпозиционный ползунок (1 - 0 - 2)
- на пружине сам возвращается в вертикальное положение
- Положение 0 нейтральное ( джойстик установлен вертикально - трос ослаблен) шток цилиндра неподвижен - масло уходит на перелив.
- Рабочее положение 1 (джойстик установлен в диагональном положении вперед) шток цилиндра выдвигается.
- Рабочее положение 2 (джойстик расположен по диагонали назад), шток привода втягивается.
Подключение:
- Питание (P b>) 1/2 дюйма BSP
- Сзади (T) 1/2" BSP
- Выход на секции BSP 3/8"
- Подключение BSP 1/2 "
Технические характеристики:
- Расход масла: 0 - 40 л/мин
- Максимальный рабочий давление: 250 бар
- Допустимая температура окружающей среды: от -40℃ до +60℃
- Допустимая температура масла: от -15℃ до +80℃
Оснащен предохранительным клапаном.
Джойстик без кнопки
Приспособлен для механического управления подъемом рамы и наклоном ковша.
Прочный джойстик обеспечивает механическое управление двухходовыми гидрораспределителями TURA (погрузчик) с помощью двух тросов.
Позволяет дистанционное управление (с кабины) распределителей, находящихся за пределами кабины.
Применение:
Предназначен для управления TURA 1, 2, 3 в тракторах типа как:
- URSUS
- ZETOR
- MF и производные.
Идеально подходит для машин и устройств с гидравлическим приводом.
Может использоваться в сельском хозяйстве, садах, лесном хозяйстве или строительстве.
Он приспособлен для работы с различными типами машин, а именно: сельскохозяйственными машинами, тракторами, опрыскивателями, опрыскивателями, циклопами, погрузчиками HDS, строительными машинами, погрузчиками, экскаваторами, промышленными машинами и другими.
Простота установки .
Технические характеристики:
Рабочая температура: -30°C / до +80°C
Материал:
- эргономичная ручка из закаленного пластика
- Основа из алюминиевого сплава
Джойстик оснащен предохранительным механизмом (2), который позволяет блокировать головку джойстика во избежание случайного включения: головка джойстика блокируется слева, головка джойстика разблокируется справа.
Веревка для управления 2-метровым шароделителем
ПОЛЬСКИЙ продукт
СУПЕР-РУГГЛ
inka идеально подходит для управления гидрораспределителями, используемыми в машинах и устройствах с гидравлическим приводом, управляемых джойстиком/рычагом.
Он может использоваться в сельском хозяйстве, садах, лесном хозяйстве, строительстве или в широко понимаемой промышленности.
>Концы:
- Конец кабеля со стороны джойстика закончился шариком диаметром 14 мм.
- Конец троса со стороны корпуса трамблера резьба М16х1,5, резьба ползуна М6х1,6
