Комплект реле подвійного електричного вентилятора Термостат радіатора
- Время доставки: 7-10 дней
- Состояние товара: новый
- Доступное количество: 10
Покупая «Комплект реле подвійного електричного вентилятора Термостат радіатора» данный товар из каталога «Реле» вы можете быть уверены, что после оформления заказа, доставки в Украину, вы получите именно то, что заказывали, в оговоренные сроки и европейского качества.
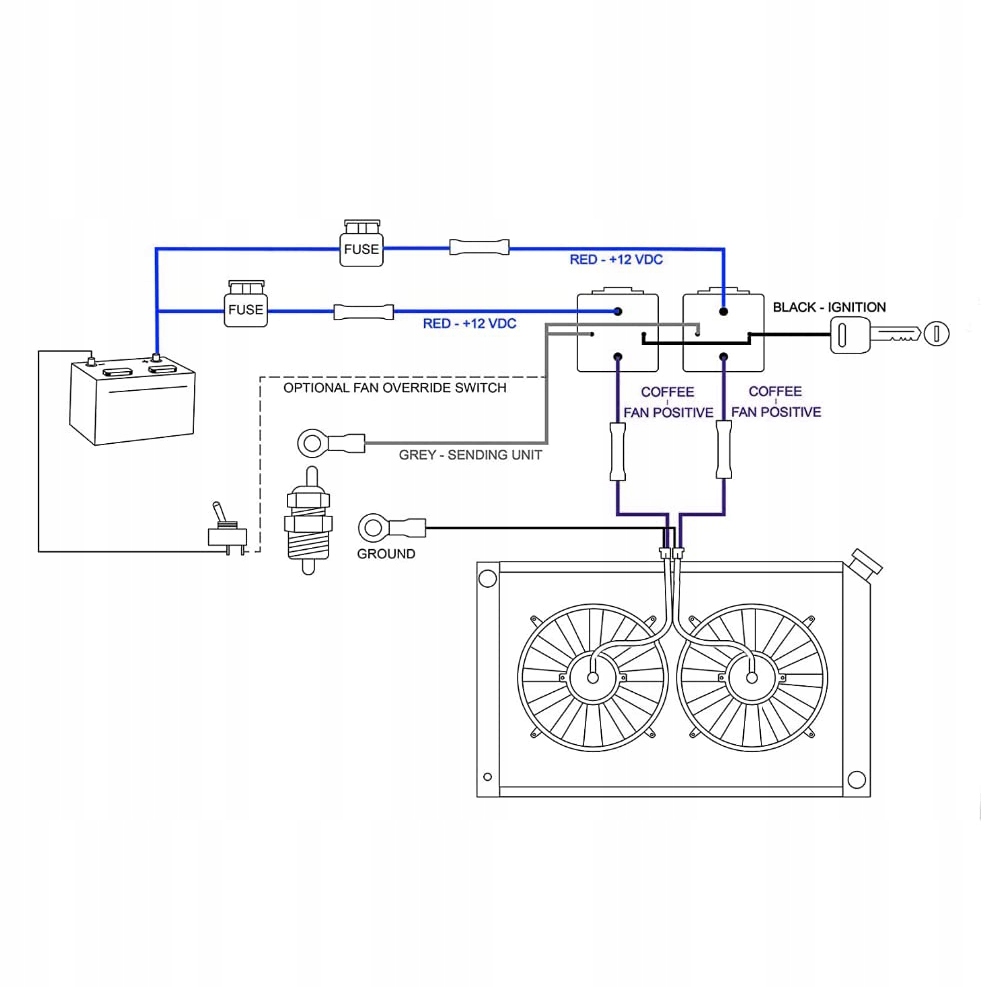
Понятная схема подключения упрощает подключение двух электрических вентиляторов. Согласно электрической схеме, красный подключается к плюсу аккумулятора 12 В постоянного тока, кофе - к плюсу вентилятора, черный - к зажиганию, а серый - к передающему блоку. Доступны прямые замены для 10, 12, 14 и 16-дюймовых вентиляторов
В комплект входит:
2 реле 40А со жгутом проводов
1 переключатель на 185 F – температурный переключатель на 175 F
1 зонд с резьбой 3/8 дюйма
1 переходник с 3/8 дюйма (1,9 см) на 1/2 дюйма (1,3 см)
2 встроенных держателя предохранителей
Предохранитель 2x20 А
8 кольцевых терминалов
4 хвостовых разъема вентилятора
Термостат, входящий в этот комплект, относится к оригинальному типу и может быть установлен в головке блока цилиндров двигателя или в любой водяной рубашке (при необходимости). Для работы термостата его необходимо заземлить через резьбу двигателя, а сам двигатель должен быть заземлен
Если вы планируете установить высокопроизводительный вентилятор, возможно, вам захочется обжать к нему провода большего диаметра. Провод 14AWG (15 А) недостаточно велик, чтобы выдерживать большой ток
