Koło pasowe SPB 132/4 pod Taper Lock 2012
Код: 15471221953
2903 грн
Цена указана с доставкой в Украину
Товар есть в наличии
КАК ЭКОНОМИТЬ НА ДОСТАВКЕ?
Заказывайте большое количество товаров у этого продавца
Информация
- Время доставки: 7-10 дней
- Состояние товара: новый
- Доступное количество: 1
Просматривая «Koło pasowe SPB 132/4 pod Taper Lock 2012», вы можете быть уверены, что данный товар из каталога «Части промышленного оборудования» будет доставлен из Польши и проверен на целостность. В цене товара, указанной на сайте, учтена доставка из Польши. Внимание!!! Товары для Евросоюза, согласно законодательству стран Евросоюза, могут отличаться упаковкой или наполнением.
Шкив SPB 132/4 для Taper Lock 2012
Технические данные:
<ул>Гильза Taper Lock доступна в комплекте на других наших аукционах
Фотографии предназначены только для иллюстрации.
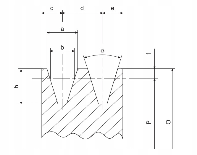
Размеры:
- F=82 мм
- L=32 мм
- M=25 мм
- O=139мм
- P=132мм
- J=89мм
- K=25мм
Материал: чугун
Изготовлены в соответствии со стандартами ISO 4183 и DIN 2211-3.
Колеса статически сбалансированы и рассчитаны на работу с окружной скоростью до 35 м/с.
