КУТОВА ПЕРЕДАЧА ДЛЯ РОЗКИДАЧА ДОБРИВ 1:1 ЧАВУННА ФРЕЗА ДОВГИЙ ВАЛ 93 мм
- Время доставки: 7-10 дней
- Состояние товара: новый
- Доступное количество: 195
Оплачивая «КУТОВА ПЕРЕДАЧА ДЛЯ РОЗКИДАЧА ДОБРИВ 1:1 ЧАВУННА ФРЕЗА ДОВГИЙ ВАЛ 93 мм» данный товар из каталога «Удобрение» вы можете быть уверены, что после оформления заказа, доставки в Украину, вы получите именно то, что заказывали, в оговоренные сроки и европейского качества.
УГЛОВАЯ ШЕСТЕРНЯ 1:1 ДЛЯ РАЗБРАСЫВАТЕЛЯ УДОБРЕНИЙ
Высококачественная, прочная угловая передача в чугунном корпусе с коваными коническими шестернями на прямых зубьях.
Производство: /p>
Оригинальный продукт марки Hydrolider, условное обозначение: 2.00.07.010.1
Применение:
Коробка передач в основном используется в однодисковых воронкообразных машинах для разбрасывания удобрений, в том числе: в разбрасывателях:
ABRA, PRONAR BRANDI, DEXWAL, GRASS-ROL, STRUMYK, WOPROL, JAR-MET L-150J, L150J и другие
Шестерни может использоваться для передачи привода в различных типах машин и оригинальных проектах.
Технические данные:
- Передача радиосигнала 1:1.
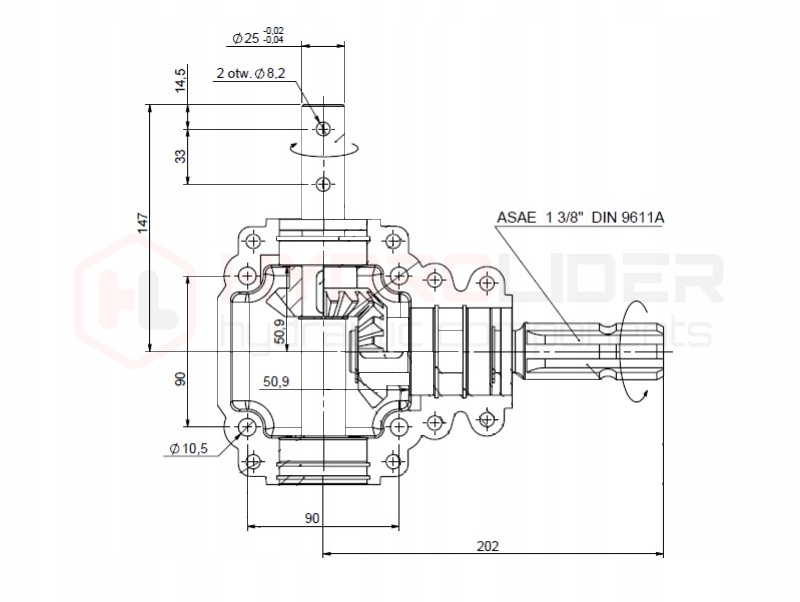
- Диаметр фрезерованного вала ВОМ: стандартный ВОМ 1 3/8" (6 шлицев). )
- Длина фрезерованного вала отбора мощности 93 мм
- Диаметр гладкого вала: 25 мм
- Максимальная входная скорость: 540 [об/мин]
- > Максимальная выходная скорость: 616 [об/мин]
- Максимальная выходная мощность: 16 [кВт] (22 л.с.)
- Максимальный выходной крутящий момент: 394 [Нм]
- Материал корпуса: чугун.
- Форма шестерен: коническая на прямых зубьях.
- Материал шестерен: закаленная.
