Масло измерения сумки
- Время доставки: 7-10 дней
- Состояние товара: новый
- Доступное количество: 8
Заказывая «Масло измерения сумки» данный товар из каталога «Штыки», вы можете получить дополнительную скидку 4%, если произведете 100% предоплату. Размер скидки вы можете увидеть сразу при оформлении заказа на сайте. Внимание!!! Скидка распространяется только при заказе через сайт.
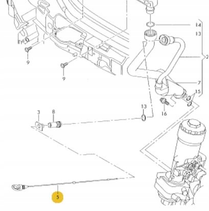
audi a2 8z0115611r A2, A2,4 16V H2> нефтяной штыки.
audi oe
Новый оригинальный нефтяной байон/измерение мера Примечание. В одной модели автомобиля могут быть разные варианты деталей. В случае неопределенности при правильном выборе деталей проверка рекомендуется в соответствии с номером VIN Судьба: Audi A2 2002 -> 2005 AUA 1.4 16V Двигатель от Wauzzzz8z1n0700001 Номер кузова - >> Каталог номер: 8Z0115611R Примечание. В одной модели автомобиля могут быть разные варианты деталей. В случае неопределенности при правильном выборе деталей рекомендуется VIN
