Масляний радіатор (12V) 38-50'C 2020K-12-2-01 Emmegi
- Время доставки: 7-10 дней
- Состояние товара: новый
- Доступное количество: 1
Оплачивая «Масляний радіатор (12V) 38-50'C 2020K-12-2-01 Emmegi», вы можете быть уверены, что данный товар из каталога «Гидравлические агрегаты» будет доставлен из Польши и проверен на целостность. В цене товара, указанной на сайте, учтена доставка из Польши. Внимание!!! Товары для Евросоюза, согласно законодательству стран Евросоюза, могут отличаться упаковкой или наполнением.
Масляный радиатор (12 В), 38-50°C 2020K-12-2-01 Emmegi
✔️Технические данные:
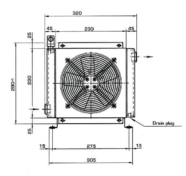
Номер детали:OK2020K12201
EAN:
Единица:Искусство
Применение:В гидравлических системах для теплообмена между маслом и охлаждающим воздухом
Техническая информация:Масловоздушные охладители используются для улучшения теплообмена между маслом и окружающей средой. Охладители оснащены термостатом (40°С - 48°С). Двигатель ДОЛЖЕН управляться реле. Запасные части: OK9201535N Комплект двигателей постоянного тока 24 В. с лопастями вентилятора и сеткой, комплект двигателя OK9201530N 12 В постоянного тока. с лопастями вентилятора и сеткой двигатель OK9201540 220 В переменного тока, регулируемый температура OK93038 28-40°C, регулируемая температура OK94048 38-50°C, регулируемая температура OK95060 48-60°C, регулируемая температура OK96070 58-70°C, регулируемая температура ОК97080 68-80°С
Максимальное рабочее давление:20 БАР
Максимальный расход:90 л/мин
Состоит из:Алюминиевый радиатор Подставка Вентилятор/электродвигатель, напряжение в зависимости от версии Регулятор температуры 40-48°C Разъем для подключения терморегулятора/двигателя постоянного тока
Тип потока охлаждающей среды:Всасывающий
Внешний диаметр вентилятора:225 мм
Материал:Сталь Пластик Алюминий
Номинальное напряжение:12 В
Глубина:175 мм
Диаметр соединительной резьбы: 1 дюйм
Уровень шума:67 дБ
Класс герметичности IP:68
Вес:7 кг
Рабочая температура термостата:38–50
Продюсер: Эммеги
