Модуль безпеки Phoenix Contact PSR-M-B2-SDI8-SDO4-DO4-SC
- Время доставки: 7-10 дней
- Состояние товара: новый
- Доступное количество: 2
Оплачивая «Модуль безпеки Phoenix Contact PSR-M-B2-SDI8-SDO4-DO4-SC», вы можете быть уверены, что данный товар из каталога «Безпека» будет доставлен из Польши и проверен на целостность. В цене товара, указанной на сайте, учтена доставка из Польши. Внимание!!! Товары для Евросоюза, согласно законодательству стран Евросоюза, могут отличаться упаковкой или наполнением.
Модуль безопасности Phoenix Contact PSR-M-B2-SDI8-SDO4-DO4-SC
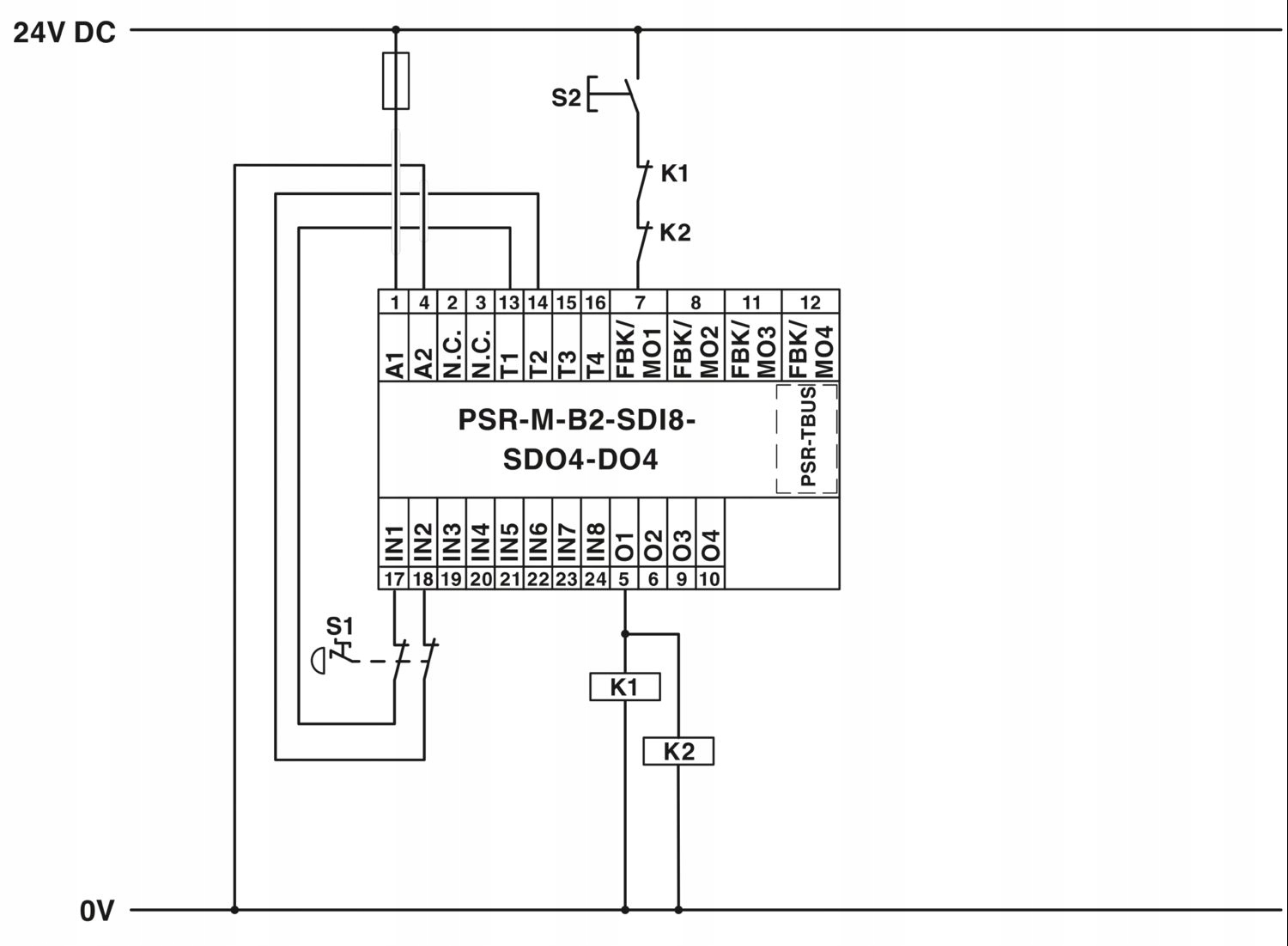
Индивидуально настраиваемая и масштабируемая модульная система безопасности PSR представляет собой гибкое решение для мониторинга машин и устройств. Свободно конфигурируемый базовый модуль используется для контроля различных устройств безопасности, например, кнопок аварийной остановки, защитных дверей и световых барьеров. Базовый модуль имеет безопасные входы и выходы, а также сигнальные и тактовые выходы.
Конфигурируемый модуль безопасности (базовый модуль):
- 8 входов безопасности,
- 4 выхода безопасности,
- 4 входа сброса или 4 сигнальных выхода,
- 4 тактовых выхода,
- возможность расширения через TBUS
- до SIL 3, кат. 4/PL e,
- штекерный разъем с винтовой клеммой,
- разъем TBUS в комплект не входит.
Информация о продукте:
Информация о продукте: b> Тип продукта: Устройства безопасности Применение: Индикация: Размеры: Материал: Условия окружающей среды: Установка: Соответствие CE.
