Модульные шестерни простой модуль M2 Z22 смягченный
- Время доставки: 7-10 дней
- Состояние товара: новый
- Доступное количество: 4
Просматривая «Модульные шестерни простой модуль M2 Z22 смягченный», вы можете быть уверены, что данный товар из каталога «Остальные» будет доставлен из Польши и проверен на целостность. В цене товара, указанной на сайте, учтена доставка из Польши. Внимание!!! Товары для Евросоюза, согласно законодательству стран Евросоюза, могут отличаться упаковкой или наполнением.
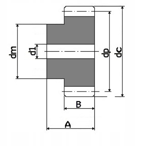
Обозначение с обозначением m2 Z22. Согласно норме. Чем больше модуль, тем больше зубля колеса (большее колесо). Количество зубов меняется каждый 1 зуб. Наименьшее нормализованное количество зубов составляет 10 >
Угол наклона - 0 градусов - Прямые зубы
Коррекция x - 0 - Открытое колесо P> Круг, сделанный влево со стальным C45 , венки круга были улучшены. Semi -fin p>
В нашем магазине вы также можете купить колеса, распределенные до определенного диаметра или изготовлены в версии с розеткой Taperlock
