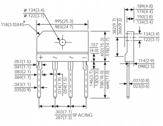
Мостовий випрямляч LP GBJ15K-DC


Код: 15097675389
498 грн
Цена указана с доставкой в Украину
Товар есть в наличии
КАК ЭКОНОМИТЬ НА ДОСТАВКЕ?
Заказывайте большое количество товаров у этого продавца
Информация
  • Время доставки: 7-10 дней
  • Состояние товара: новый
  • Доступное количество: 8

Заказывая «Мостовий випрямляч LP GBJ15K-DC» данное изделие из «Мостики» вы можете быть уверены, что после оформления заказа, доставки в Украину, вы получите именно то, что заказывали, в оговоренные сроки и европейского качества.

Производитель = КОМПОНЕНТЫ ПОСТОЯННОГО ТОКА

Электрический монтаж = THT

Макс. обратное напряжение = 800 В

Прямой ток = 15 А

Тип упаковки = туба

Версия = плоская

Корпус = GBJ4–10

Максимальный импульсный ток = 240 А

Макс. прямое напряжение = 1,1 В

Выводы = плоские контакты

Тип выпрямительного моста = однофазный