Мотор-редуктор 63 с двигателем 1,1 кВт 3fa
- Время доставки: 7-10 дней
- Состояние товара: новый
- Доступное количество: 16
Оплачивая «Мотор-редуктор 63 с двигателем 1,1 кВт 3fa» данный товар из каталога «Редукторы», вы можете получить дополнительную скидку 4%, если произведете 100% предоплату. Размер скидки вы можете увидеть сразу при оформлении заказа на сайте. Внимание!!! Скидка распространяется только при заказе через сайт.
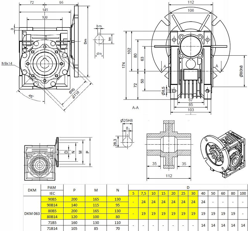
Червячная передача 063 с трехфазным двигателем 1,1 кВт, 1400 об/мин.
Технические данные:
- Механический размер шестерни 063.
- диаметр выходной втулки 25 мм.
- Редуктор DKM взаимозаменяем с шестернями NMRV/WMI/CMI/SMI/VMR.
- номинальная мощность двигателя при 50 Гц - 1,1кВт
- обороты двигателя 1400
- напряжение при 50Гц - 400В
Фото мотор-редуктора носит справочный характер!!
Рекомендуемые передаточные числа для работы с двигателем 1,1кВт:
- 7,5, получаемые обороты на выходе передачи 187 об/мин, 49Нм
- 10, получены обороты на выходе передачи 140 об/мин, 65Нм
- 15, получены обороты на выходе коробки передач 93 об/мин, 95Нм
- 20, получены обороты на выходных передачах 70 об/мин, 122 Нм
с двигателем мощностью 1,1 кВт также может использоваться, в частности, с передачами 075 и 090, где доступны более высокие передаточные числа. Посетите наши аукционы.
При заказе указывайте необходимое передаточное число.
Размеры шестерни уточняйте по каталожной карточке. Там же вы найдете доступные соединительные фланцы с размерами.
Для каждой передачи можно приобрести аксессуары, такие как:
- Боковой фланец FA и FB
- крышка червячного колеса
- li>
- реактивный рычаг
- односторонний вал
- двусторонний вал
- редукторная втулка
Внизу отдельные карточки товаров.
В нашем предложении также есть вариаторы и инверторы.
Если вы ищете коробку передач с другим двигателем, обязательно посетите другие наши аукционы. Если у вас возникли проблемы с поиском интересующего вас товара, напишите нам, и мы обязательно вам поможем!
Не забудьте указать передаточное число после КУПИТЬ.
