нитки 200г 1000мб нитки для швейной машины швейные машины 1 шт
- Время доставки: 7-10 дней
- Состояние товара: новый
- Доступное количество: 9791
Заказывая «нитки 200г 1000мб нитки для швейной машины швейные машины 1 шт» данный товар из каталога «Другое оборудование», вы можете получить дополнительную скидку 4%, если произведете 100% предоплату. Размер скидки вы можете увидеть сразу при оформлении заказа на сайте. Внимание!!! Скидка распространяется только при заказе через сайт.
Универсальные нитки из резаного полиэстера высочайшего качества, обладающие высокой устойчивостью к разрыву. Они подходят для любой ручной швейной машины. Нити намотаны на пластиковую катушку и термостабилизированы, поэтому не перетираются и не перекручиваются при размотке. Нитки упакованы в картонную упаковку (сборная упаковка 40 шт.) и дополнительно в полиэтиленовые пакеты, благодаря которым они очень хорошо защищены от влаги и грязи.
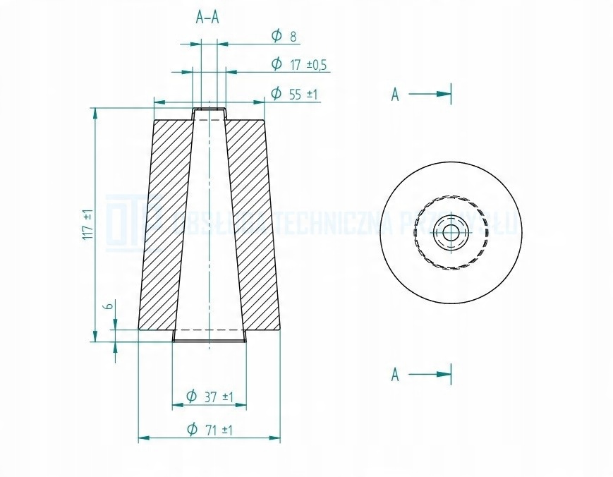
Параметры:
Материал:100% резаный полиэстер, четырехпрядный сорт I
Тип намотки: конус (конический)
Количество метров на шпуле: 1000 м. (+/- 1,5%)
Толщина: 500x4 дтекс
Удлинение: 23%
Вес нетто: 200 г (+/- 3%)
Вес брутто: ~210 г (в зависимости от веса пластиковой шпульки)
Диаметр катушка у основания: 37 мм +/- 1 мм
Высота катушки: 117 мм +/- 1 мм
Стабилизация: термическая
Другие параметры указаны на рисунке ниже.
Указанная цена указана за 1 катушку с нитью.
Мы гарантируем высочайшее качество продукции!
При покупке 120 штук в подарок универсальный переключатель для швейной машины с усиленным металлическим штифтом, или оригинальный немецкий приводной ремень для швейной машины Optibelt, XL-150, XL-160 или XL-170. После покупки укажите в форме, какой тип халявы вы выбираете.
Для постоянных клиентов мы предлагаем привлекательные цены и торговые условия.
На других наших аукционах вы найдете машины для зашивания сумок и другие швейные принадлежности.
