Одинарне ланцюг 10 зубів 3/4 "ланцюг
- Время доставки: 7-10 дней
- Состояние товара: новый
- Доступное количество: 12
Просматривая «Одинарне ланцюг 10 зубів 3/4 "ланцюг», вы можете быть уверены, что данный товар из каталога «Удобрение» будет доставлен из Польши и проверен на целостность. В цене товара, указанной на сайте, учтена доставка из Польши. Внимание!!! Товары для Евросоюза, согласно законодательству стран Евросоюза, могут отличаться упаковкой или наполнением.
Одноцепная звездочка, 10 зубьев, цепь 3/4 дюйма, 12 отверстий B-1, 25 мм Kramp
Номер детали: K. SE341025
EAN: 8719607073479
Единица: Искусство
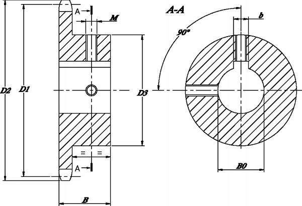
Характеристики: Зубья с индукционной закалкой (HRc45–55)
Свойства:
- Подгонка ступицы: H7
- Шпоночный паз согласно DIN 6885 по средней линии зубьев
- Резьбовое отверстие на клине под углом 90° < /ул>
- Цепное колесо
- 2 регулировочных винта
Техническая информация: Для цепи типа 12В1
Преимущества: более длительный срок службы цепи и звездочки
Тип: Одиночный
Размер цепочки: 12 B-1
Количество зубьев: 10
Состоит из:
Рабочий диаметр D1: 61,64 мм
D2Внешний диаметр: 69,8 мм
Ширина зуба: 11,1 мм
Ширина: 30 мм
Тип втулки: Односторонняя втулка
Диаметр ступицы D3: 42 мм
B0Диаметр отверстия: 25 мм
Отверстие: Да
Материал: сталь C45
Твердость зуба: HRC 45-55
bШирина канавки/клина: 8 мм
Диаметр монтажной резьбы: M6
