Односторонний ручной гидравлический насос+бак 1L
- Время доставки: 7-10 дней
- Состояние товара: новый
- Доступное количество: 50
Покупая «Односторонний ручной гидравлический насос+бак 1L» данный товар из каталога «Гидравлическая система» вы можете быть уверены, что после оформления заказа, доставки в Украину, вы получите именно то, что заказывали, в оговоренные сроки и европейского качества.
односторонний гидравлический насос ручной работы 25CM3 с резервуаром h1> код -метра: [7153] h2>
Насос идеально подходит для сотрудничества с гидравлическими цилиндрами одной однозначной операции b> -в механических и гидравлированных департаментах.
Enter:
- Unilateral pump of 25cm3 (seal for pump, hose with oil filter, set of screws with washers) [0223]
- Oil tank with elements of mounting (filler cap, trigger cork, venting hose) [1785]
односторонний ручной гидравлический насос 25CM3
код ching -met: [0223]
Насос идеально подходит для сотрудничества с с гидравлическими цилиндрами некачественных действий - в машинах и устройствах, приводимых в гидравлическое питание.
можно использовать в сельском хозяйстве, лесном хозяйстве, строительстве или широко понятной промышленности.
На месте красного корпуса есть нефтяное делительное жилье, с которым соединен односторонний акт.
насос с двойной высокой функцией. h2>
При перекачке масла с масляным рычагом (сверху вниз) b> отстой.
Насос подходит для всех резервуаров, которые у нас есть на других аукционах. Это танки с емкостью: 10L, 7L, 5L, 3L, 1L. h2>
Насос включает в себя:
- насос 25cm3
- Руководство
- Уплотнение насоса
- Набор винтов с шайбами
- Масляный фильтр
Technical specification: h1>
Geometric capacity: 25cm3 per cycle
Factory overflow valve set at: 180 bar
maximum pressure: 250 bar
3/8 "
Общий вес: 4,2 кг
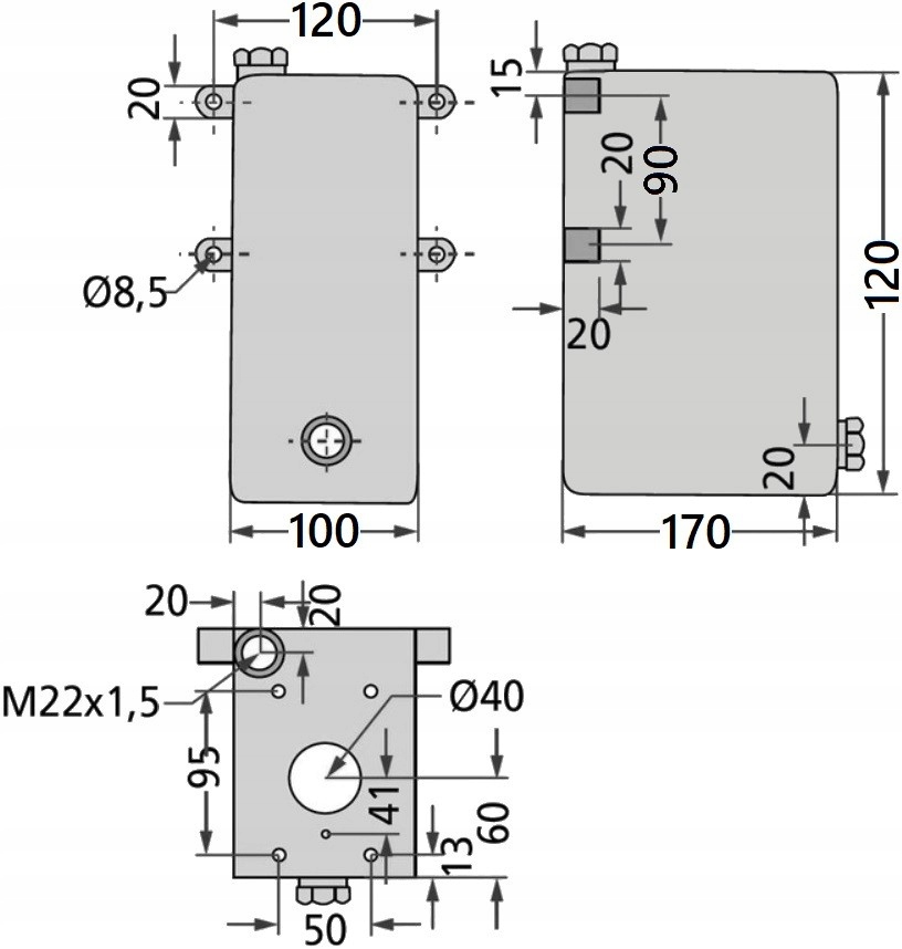
Масляный бак 1L для ручного насоса h1> Код Scheat: [1785] h2>
используется в гидравлических насосах односторонних и двусторонних действий, используемых в сельском хозяйстве, саду, лесном хозяйстве или строительстве. коррозия.
адаптируется к работе в: сельскохозяйственное оборудование, тракторы, опрыскиватели, повороты, циклопы, погрузчики HDS, строительные машины, зарядные устройства, экскаваторы, подметальные машины, промышленные машины и другие
.
Техническая спецификация:
- Общая длина: 120 мм
- Ширина бака: 100 мм
- Установка отверток. Однако это не влияет на его функциональность. h2>
