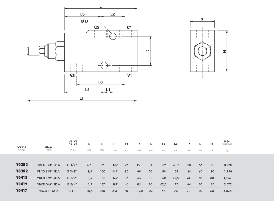
Односторонний VBCD SE-A BSP 3/8 40L 350BAR.
- Время доставки: 7-10 дней
- Состояние товара: новый
- Доступное количество: 1
Просматривая «Односторонний VBCD SE-A BSP 3/8 40L 350BAR.», вы можете быть уверены, что данный товар из каталога «Гидравлическая система» будет доставлен из Польши и проверен на целостность. В цене товара, указанной на сайте, учтена доставка из Польши. Внимание!!! Товары для Евросоюза, согласно законодательству стран Евросоюза, могут отличаться упаковкой или наполнением.
перегруженный клапан одностороннего VBCD SE-A BSP 3/8 40L 350BAR
Приложение:
"Overcendter" клапан-это своего рода подключение типичного блокировки с актуатором (VBPSE) с переполнением (VMP). Он используется для блокировки движения привода в одном направлении. Движение привода в противоположном направлении не обеспечено. Обеспечивает стабилизацию позиции поршневой поршней, когда мы не контролируем дистрибьютор и цилиндр. гидравлический. Когда мы перестаем управлять двигателем, клапан без экспозиции двигателя и коллектора на повреждение постепенно замедляет двигатель, а затем защитит его от свободного вращения. Клапан способен замедляться и обеспечить только одно направление вращения.
соединение:
Подключить v1 и v2 к линиям питания, например, Раздел гидравлического дистрибьютора.
Подключить C1 и C2 к приемнику, например, двусторонний привод. Давление.
Поток от V2 до C2 открывается, когда давление имеет V1 или V2. 3/8 ''
Материал: оцинкованная сталь
Стандартные распределительные клапаны: 320bar
Мы также предлагаем общий ассортимент в области гидравлики силы. Насосы, коллекторы, гидравлические цилиндры, клапаны, гидравлические кабели.
Мы выпускаем 23%НДС
Мы приглашаем вас сотрудничать
